Cauta produsul dorit:
Bun venit! [Autentificare!] In cos: 0 produse








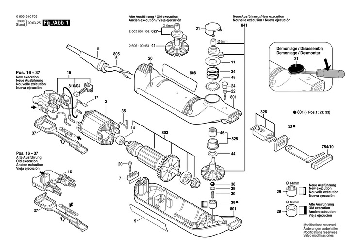
Top » Piese de schimb » PIESE BOSCH » 0603316703

RAZUITOR ELECTRIC (0603316703) PSE 180 E / 230 V /EU
[0603316703]

RAZUITOR ELECTRIC  (0603316703)  PSE 180 E / 230 V /EU
Click pentru a mari
Imagini suplimentare
RAZUITOR ELECTRIC  (0603316703)  PSE 180 E / 230 V /EU
Click pentru a mari
LISTA DE COMPONENTE:
Numar Versiune Buc. in schema Denumire Pret/buc
(Tva inclus)
Cumpara
2 1 1 STATOR 230-240V (2604220705) 12588 RON
5 1 1 CONDUCTOR DE RETEA CH 2,65m 2 x 1,0mm H05VV-F (2604460125) 3187 RON
6 1 1 MUFA O6,4-O7,2x67MM (1600703030) 781 RON
7 1 1 INTERUPATOR DE LINIE (2601035001) 558 RON
9 1 1 PLACUTA CU EMBLEMA FIRMEI (2601116978) 1229 RON
14 1 1 BUCSA SINTERIZATA (2600302027) 1832 RON
16 1 1 REGULATOR DE TURATIE (2607230125) 16572 RON
17 1 4 FURTUN FRETAT (2600409021) 558 RON
20 1 6 SURUB CU CAP SEMIROTUND T 4x16 (2603490022) 558 RON
21 1 1 BUTON (2600522013) 837 RON
22 1 1 SURUB CU CAP SEMIROTUND T 4x20 (2603490023) 558 RON
24 1 1 DOP DE INCHIDERE (2603126014) 677 RON
29 1 1 MANSON PTR. ACE RULMENT (2600917006) 1452 RON
30 1 1 ARC DE PRESIUNE (2604612005) 893 RON
31 1 1 DISC DE PRESIUNE (2600101085) 677 RON
33 1 1 CAPAC DE PROTECTIE (2600712005) 1036 RON
34 1 1 ARC DE PRESIUNE (2604616005) 893 RON
35 1 1 ARC DE CONTACT (2601329037) 558 RON
37 1 1 ROBINET CU SERTAR ROSU (2602319009) 1673 RON
38 1 1 BILA DIN 5401-4 MM-III-ST (1903230007) 558 RON
39 1 1 DISC DE ECHILIBRARE 0,5 MM (2600000028) 558 RON
44 1 1 DISC DE SPRIJIN (1610101615) 558 RON
45 1 1 ROATA DE REGLARE (2600190067) 677 RON
46 1 1 MANSON PTR. ACE RULMENT O14 MM (2600910001) 1452 RON
754/10 1 1 PROTECTIE CUTIT 40x23 MM (2601329059) 558 RON
754/10 1 1 PROTECTIE CUTIT 60x23 MM (2601329060) 558 RON
801 1 1 CARCASA VERDE (2605190923) 8127 RON
803 1 1 Rotor 230-240V (2604011924) 18644 RON
808 1 1 PLACUTA INDICATOARE TIP (2601118812) 893 RON
816/04 1 1 SET DE PERII DE CARBUNE (2604321923) 2071 RON
825 1 1 BUCSA SINTERIZATA (2605801900) 2390 RON
826 1 1 LAGAR DE GHIDARE (2605801901) 3354 RON
841 1 1 COROANA DE DIFERENTIAL (2606100922) 7171 RON

Conditii Generale