Cauta produsul dorit:
Bun venit! [Autentificare!] In cos: 0 produse








Top » Piese de schimb » PIESE BOSCH » 3601J3A310

POLIZOR UNGHIULAR CU ACUM (3601J3A310) CAG180 / 18 V /USA
[3601J3A310]

POLIZOR UNGHIULAR CU ACUM  (3601J3A310)  CAG180 / 18 V /USA
Click pentru a mari
Imagini suplimentare
POLIZOR UNGHIULAR CU ACUM  (3601J3A310)  CAG180 / 18 V /USA
Click pentru a mari
POLIZOR UNGHIULAR CU ACUM  (3601J3A310)  CAG180 / 18 V /USA
Click pentru a mari
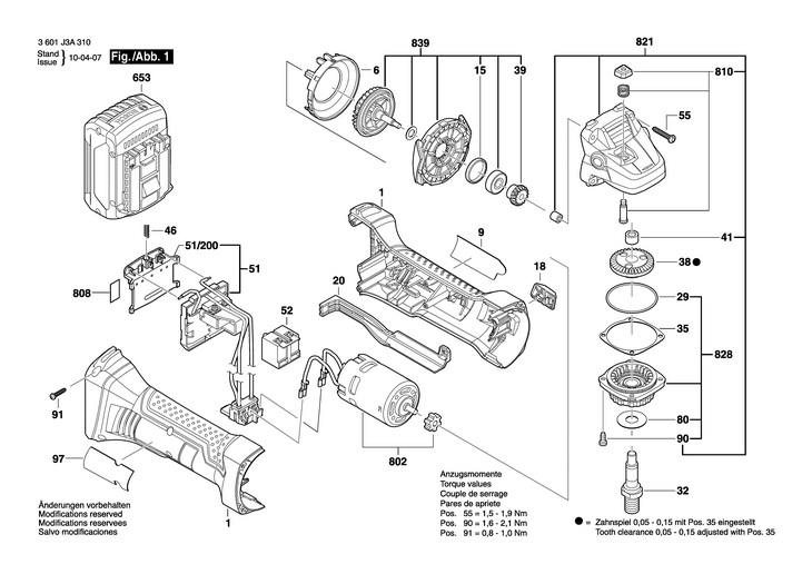
LISTA DE COMPONENTE:
Numar Versiune Buc. in schema Denumire Pret/buc
(Tva inclus)
Cumpara
1 1 1 CARCASA ALBASTRU (1605108282) 8275 RON
6 1 1 INEL DEFLECTOR DE AER (1600591046) 837 RON
9 1 1 PLACUTA CU EMBLEMA FIRMEI (1601118K85) 893 RON
15 1 1 INEL DE CAUCIUC (1600206025) 781 RON
18 1 1 BUTON INTRERUPATOR (1619P09290) Indisponibil Indisponibil
20 1 1 REGULATOR DE AVANS (1602319023) 2459 RON
29 1 1 GARNITURA O (1619P02820) 558 RON
32 1 1 ARBORE DE POLIZAT 5/8" (1603523122) 12588 RON
35 1 1 DISC DE ECHILIBRARE 0,1 MM (1619P02821) 558 RON
35 1 1 DISC DE ECHILIBRARE 0,2 MM (1619P02822) 558 RON
38 1 1 COROANA DE DIFERENTIAL (1606333634) Indisponibil Indisponibil
39 1 1 ROATA DINTATA CONICA Z=35 (1606333633) 190 RON
41 1 1 LAGAR DE ALUNECARE (1600200029) 1117 RON
46 1 1 ARC DE PRESIUNE (1609280477) 558 RON
51 1 1 MODUL ELECTRONIC (1607233340) 24829 RON
51/200 1 1 SUPORT DE CONTACT (1609280478) 5099 RON
52 1 1 INTRERUPATOR PORNIT/OPRIT (2607202071) 5577 RON
55 1 4 SURUB CU CAP SEMIROTUND T 4x25 (2603490024) 558 RON
80 1 1 SAIBA DE ETANSARE cod vechi 3600150021 DISC DE ACOPERIRE (1619P09390) 1354 RON
90 1 4 SURUB AUTOFILETANT DIN 7500, M4x10, SR10.2 (1603435068) 558 RON
91 1 4 SURUB AUTOFILETANT (1603435071) 558 RON
97 1 1 PLACUTA DE AVERTIZARE (1601118K86) 893 RON
131 1 1 SURUBELNITA IMBUS 4x95 (1619P01598) 893 RON
651 1 1 ACUMULATOR DEMONTABIL 18V, 1,3Ah, LI, MS (2607336169) 59725 RON
652 1 1 INCARCATOR USA 120/10,8-18V, 30 MIN (2607225327) 51449 RON
802 1 1 MOTOR DE CURENT CONTINUU (16170006B0) 40474 RON
808 1 1 PLACUTA INDICATOARE TIP (1601106053) 1195 RON
810 1 1 BUTON (16170006B1) 677 RON
821 1 1 CARCASA ANGRENAJULUI (16170006B2) 20715 RON
828 1 1 FLANSA DE LAGAR (16170006B3) 4143 RON
839 1 1 ARBORE CU ROTI CONICE (16170006B4) 15210 RON
854 1 1 APARATOARE O115 MM ARGINTIU cod vechi (1600A00XU6) 3466 RON
855 1 1 APARATOARE O115 MM (1619P06442) 6374 RON
891 1 1 MANER SUPLIMENTAR M10 (1602025027) 2123 RON
892 1 1 CAUCIUC 5/8" (3603340503) 6374 RON
893 1 1 SURUBELNITA PTR. PIULITE (1607950052) 1229 RON
895 1 1 FLANSA DE PRINDERE (1605703140) 2868 RON
895/20 1 1 GARNITURA O O20,35x1,78 MM (1600210039) 558 RON

Conditii Generale