Cauta produsul dorit:
Bun venit! [Autentificare!] In cos: 0 produse








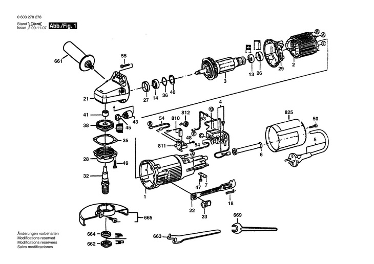
Top » Piese de schimb » PIESE BOSCH » 0603278278

POLIZOR UNGHIULAR GW (0603278278) PWS 6115 / 220 V /BR
[0603278278]

POLIZOR UNGHIULAR GW  (0603278278)  PWS 6115 / 220 V /BR
Click pentru a mari
Imagini suplimentare
POLIZOR UNGHIULAR GW  (0603278278)  PWS 6115 / 220 V /BR
Click pentru a mari
LISTA DE COMPONENTE:
Numar Versiune Buc. in schema Denumire Pret/buc
(Tva inclus)
Cumpara
1 1 1 F000600055 - Indisponibil
2 1 1 STATOR 220V (F000600060) 11071 RON
3 1 1 Rotor 220V (F000600061) 16572 RON
4 1 4 INTRERUPATOR (1607200086) 3665 RON
5 1 1 CONDUCTOR DE RETEA (9618089004) 4584 RON
6 1 1 MUFA O7,6-O8,2x95 MM (2600703013) 893 RON
7 1 1 BRATARA DE FIXARE (1601302017) 558 RON
13 1 1 RULMENT CU BILE 7x19x6 (2600905032) 1676 RON
14 1 1 RULMENT CU BILE DIN 625-608-2Z-C3 (1900905029) 7171 RON
18 1 1 ARC DE PRESIUNE (1604611026) 558 RON
21 1 1 CARCASA ANGRENAJULUI NEGRU (1605806429) 2459 RON
22 1 1 REGULATOR DE AVANS (1602319002) 558 RON
23 1 1 MANER DE INTREUPATOR NEGRU (1602026057) 558 RON
26 1 1 BUCSA DE CAUCIUC (1600502020) 558 RON
27 1 1 INEL DE CAUCIUC (1600206025) 781 RON
28 1 1 FLANSA DE LAGAR (1605805061) 3354 RON
29 1 1 INEL DEFLECTOR DE AER (1601328005) 781 RON
32 1 1 ARBORE DE POLIZAT M14, SW17 cod vechi 1603523110 (1607000D6A) 2459 RON
35 1 1 DISC DE ECHILIBRARE 0,10 MM GROS (1600136012) 558 RON
35 1 1 DISC DE ECHILIBRARE 0,20 MM GROS (1600136010) 558 RON
35 1 1 DISC DE ECHILIBRARE 0,30 MM GROS (1600136011) 558 RON
36 1 1 ARC DISC (1600150011) 558 RON
38 1 1 COROANA DE DIFERENTIAL Z=36 (1606333606) 3665 RON
40 1 1 INEL DE SIGURANTA DIN 472-25x1,2MM (2916660009) 893 RON
41 1 1 MANSON PTR. ACE RULMENT O8xO12x8 MM (1600910018) 1673 RON
43 1 1 ROATA DINTATA CONICA Z=11 (1606333605) 1229 RON
45 1 1 PIULITA HEXAGONALA M7, SW10 (1603300016) 558 RON
47 1 1 SURUB PENTRU TABLA DIN 7971-BZ3,5x13 (2910211011) 558 RON
48 1 4 SURUB CU CAP SEMIROTUND T 3x10 (2603490017) 558 RON
49 1 4 SURUB PENTRU TABLA 4x20 MM (9618087100) 558 RON
50 1 1 SURUB PENTRU TABLA 4x16 MM (9618087099) 558 RON
53 1 1 9618086927 - Indisponibil
54 1 1 9618086928 - Indisponibil
55 1 4 SURUB PENTRU TABLA 4x20 MM (9618087100) 558 RON
661 1 1 MANER SUPLIMENTAR M10, O32,5x105 MM (2602025067) Indisponibil Indisponibil
662 1 1 CAUCIUC M14 (1603345043) 3913 RON
663 1 1 SURUBELNITA PTR. PIULITE (1607950052) 1229 RON
664 1 1 F000613004 - Indisponibil
665 1 1 APARATOARE O 115 MM(4 1/2") (2605510125) 10676 RON
669 1 1 F000600339 - Indisponibil
810 1 1 SET DE PERII DE CARBUNE (1607014116) 3665 RON
811 1 2 PORTPERIE (2601323021) 558 RON
812 1 2 ARC SPIRAL (1604652013) 558 RON
825 1 1 F000600102 - Indisponibil

Conditii Generale