Acasa
Atelierultau.ro
Continut cos
TRANSPORT
Contul meu
Contact
Cauta produsul dorit:
Bun venit! [
Autentificare!
]
In cos:
0 produse
Top
»
Piese de schimb
»
PIESE BOSCH
»
3601B21110
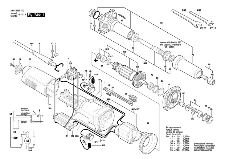
POLIZOR DREPT (3601B21110) DG 355 LCE / 120 V /USA
[3601B21110]
Click pentru a mari
Imagini suplimentare
Click pentru a mari
LISTA DE COMPONENTE:
Numar
Versiune
Buc. in schema
Denumire
Pret/buc
(Tva inclus)
Cumpara
1
1
1
CARCASA MOTOR (3605108224)
33
54
RON
3/3/13
1
1
RULMENT CU BILE 7x19x6 (2600905032)
16
76
RON
4
1
1
INTRERUPATOR (1607200199)
55
77
RON
5
1
1
CONDUCTOR DE RETEA (1604460336)
50
99
RON
6
1
1
MUFA (1600703040)
7
81
RON
7
1
1
BRATARA DE FIXARE (1601302017)
5
58
RON
9
1
1
PLACUTA CU EMBLEMA FIRMEI (3601110554)
8
93
RON
16
1
2
PORTPERIE (1601323025)
12
29
RON
16/17
1
2
ARC SPIRAL (1604652013)
5
58
RON
18
1
1
MANER DE INTREUPATOR (1602026088)
5
58
RON
19
1
1
ARC DE PRESIUNE (1604611026)
5
58
RON
20
1
1
REGULATOR DE AVANS NEGRU (1602319010)
5
58
RON
24
1
1
CAPAC (1605500227)
7
81
RON
25
1
1
CAPAC CARCASA ALBASTRU INCHIS (1605500251)
24
59
RON
26
1
1
INEL DE CAUCIUC (1600206036)
5
58
RON
29
1
1
INEL DEFLECTOR DE AER (1600591025)
8
93
RON
47
1
1
SURUB CU CAP SEMIROTUND T 4x12 (2603490021)
5
58
RON
48
1
2
SURUB CU CAP SEMIROTUND 3x10 ST (1613435034)
5
58
RON
50
1
1
SURUB CU CAP SEMIROTUND T 4x20 (2603490023)
5
58
RON
51
1
1
REGULATOR TURATIE (1607233555)
165
72
RON
53
1
4
SURUB CU CAP SEMIROTUND 4x32 (2603490026)
5
58
RON
62
1
1
INEL DE SIGURANTA (1600119011)
6
77
RON
63
1
1
INEL DE CAUCIUC (1600206025)
7
81
RON
64
1
1
GARNITURA O 26x2 MM VERDE (1610210101)
7
81
RON
65
1
1
INEL DE SIGURANTA DIN 472-26x1,2 MM (2916660010)
5
58
RON
67
1
1
DISC DE ECHILIBRARE (3600150011)
5
58
RON
69
1
1
DISC DE ECHILIBRARE 0,10 MM (1710102601)
5
58
RON
70
1
1
FLANSA INTERMEDIARA (3605700186)
232
65
RON
72
1
1
RULMENT CU BILE 8x22x7 (1600905032)
19
0
RON
74
1
1
RULMENT CU BILE (3600905156)
36
65
RON
75
1
1
RULMENT CU BILE (3600905157)
36
65
RON
76
1
1
HUSA DE PROTECTIE (3605500194)
36
65
RON
81
1
1
MANSON DE DISTANTARE (3600400034)
14
52
RON
82
1
1
SAIBA DE ETANSARE (3600103020)
16
73
RON
84
1
2
SEMICUPLAJ (3606445045)
Indisponibil
Indisponibil
86
1
1
ANTRENOR (3606337242)
10
36
RON
90
1
1
Unitate de inchidere (3607030482)
82
75
RON
95
1
1
FLANSA (3600328043)
92
42
RON
97
1
1
PLACUTA DE AVERTIZARE (3601110550)
8
93
RON
105
1
2
PLACA DE IZOLATIE (1601008005)
11
17
RON
107
1
1
PIESA DE IZOLATIE (1600712030)
5
58
RON
653
1
2
CHEIE FIXA / FALCI MOBLE SW19 (3607950024)
28
68
RON
654
1
1
CHEIE FIXA / FALCI MOBLE SW13 (3607950025)
24
59
RON
802
1
1
POL 110V (3607031719)
232
65
RON
803
1
1
Rotor 110V (3607030479)
312
32
RON
808
1
1
PLACUTA INDICATOARE TIP 26x52 MM (1601106032)
8
93
RON
810
1
1
SET DE PERII DE CARBUNE (1607014176)
45
84
RON
815
1
1
SET DE PIESE (1607000378)
21
23
RON
818
1
1
SURUB CU CAP INECAT DIN 85-AM3x6-CUZN (2910110048)
5
58
RON
835
1
1
VENTILATOR (1606610129)
7
81
RON
860
1
1
CABLU DE LEGATURA (1604448023)
5
58
RON
861
1
1
CARCASA ARBORE PRINCIPAL (3607031668)
299
57
RON
880
1
1
ARBORE DE POLIZAT (3607031667)
521
7
RON
890
1
1
CAUCIUC (3603313006)
28
68
RON
Conditii Generale