Cauta produsul dorit:
Bun venit! [Autentificare!] In cos: 0 produse








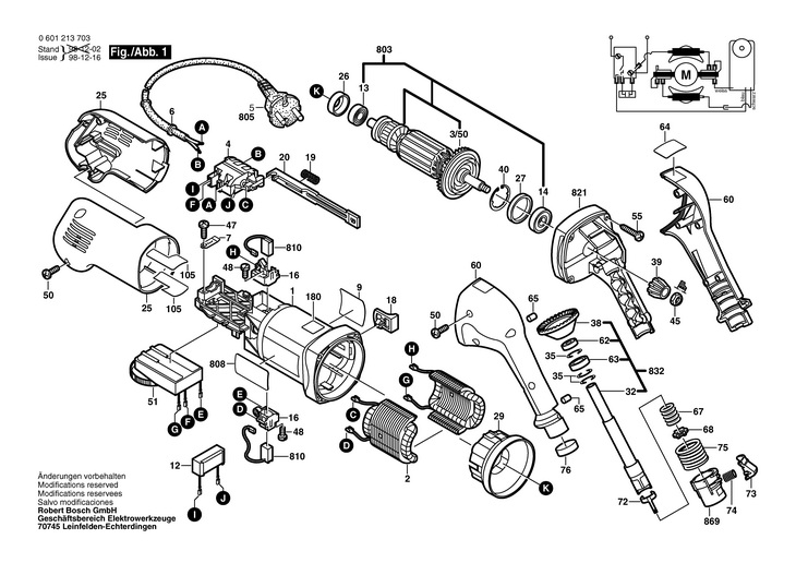
Top » Piese de schimb » PIESE BOSCH » 0601213703

PERIE ELECTRICA (0601213703) GEB 1000 CE / 230 V /EU
[0601213703]

PERIE ELECTRICA  (0601213703)  GEB 1000 CE / 230 V /EU
Click pentru a mari
Imagini suplimentare
PERIE ELECTRICA  (0601213703)  GEB 1000 CE / 230 V /EU
Click pentru a mari
LISTA DE COMPONENTE:
Numar Versiune Buc. in schema Denumire Pret/buc
(Tva inclus)
Cumpara
1 1 1 CARCASA MOTOR ALBASTRU (1605108213) 3354 RON
2 1 1 STATOR 220-240V (1604220301) 13863 RON
3/50 1 1 VENTILATOR (1606610129) 781 RON
4 1 1 INTRERUPATOR (1607200086) 3665 RON
4/10 1 2 SURUB CU CAP INECAT DIN 85-AM3x6-CUZN (2910110048) 558 RON
6 1 1 MUFA O8,3-O9,4x95 MM (2600703011) 1036 RON
7 1 1 BRATARA DE FIXARE (1601302017) 558 RON
9 1 1 PLACUTA CU EMBLEMA FIRMEI (1601118791) 1229 RON
12 1 1 FILTRU DE DEPARAZITARE (1607328042) 2123 RON
13 1 1 RULMENT CU BILE 7x19x6 (2600905032) 1676 RON
14 1 1 RULMENT CU BILE DIN 625 608-2-Z (1600905016) 2868 RON
16 1 2 PORTPERIE (1601323025) 1229 RON
18 1 1 MANER DE INTREUPATOR NEGRU (1602026057) 558 RON
19 1 1 ARC DE PRESIUNE (1604611026) 558 RON
20 1 1 REGULATOR DE AVANS NEGRU (1602319010) 558 RON
25 1 1 CAPAC CARCASA ALBASTRU (1605190144) 3689 RON
26 1 1 INEL INTERMEDIAR (1600502023) 781 RON
27 1 1 INEL DE CAUCIUC (1600206025) 781 RON
29 1 1 INEL DEFLECTOR DE AER (1600591025) 893 RON
32 1 1 ARBORE DE ANTRENARE (2603020028) 20715 RON
35 1 1 DISC DE ECHILIBRARE 0,2 MM (2600101088) 558 RON
35 1 1 DISC DE ECHILIBRARE 0,3 MM (2600101089) 558 RON
35 1 1 DISC DE ECHILIBRARE 0,4 MM (2600101090) 558 RON
35 1 1 DISC DE ECHILIBRARE 0,5 MM (2600101091) 677 RON
38 1 1 COROANA DE DIFERENTIAL Z=36 (2606100064) 5099 RON
39 1 1 PINION Z=10 (2606333034) 3665 RON
40 1 1 INEL DE SIGURANTA (1600119011) 677 RON
45 1 1 PIULITA HEXAGONALA M7, SW10 (1603300016) 558 RON
47 1 1 SURUB PENTRU TABLA DIN7981-ST3,9x13-C-Z (2912401018) 558 RON
48 1 2 SURUB PENTRU TABLA DIN7981-ST2,9x9,5C-Z (2912401005) 558 RON
50 1 8 SURUB PENTRU TABLA TORX-T20 (1603435061) 781 RON
51 1 1 REGULATOR TURATIE 230-240V (1607233130) 18230 RON
55 1 4 SURUB AUTOFILETANT (1603435062) 781 RON
60 1 1 CARCASA ALBASTRU (1605132133) 5926 RON
62 1 1 RULMENT CU BILE 6000-2 RSY DIN 625 (1900905160) 10624 RON
63 1 1 RULMENT CU BILE DIN 625-6001-2Z (1900905121) 5099 RON
64 1 1 PLACUTA DE AVERTIZARE (1601118792) 1229 RON
65 1 2 TAMPON DIN CAUCIUC (2603100056) 558 RON
67 1 1 ARC DE PRESIUNE (2604616009) 558 RON
68 1 1 DISC DE STRANGERE (2600190089) 1117 RON
72 1 1 ARC DE RETINERE (2601290022) 677 RON
73 1 1 ROBINET CU SERTAR ROSU (2602319016) 837 RON
74 1 1 ARC DE PRESIUNE (2604611046) 558 RON
75 1 1 ARC DE PRESIUNE (2604615013) 558 RON
76 1 1 INEL DE STRANGERE (2600290038) 558 RON
105 1 1 PLACA DE IZOLATIE (1601008006) 1117 RON
803 1 1 ROTOR CU VENTILATOR 220-240V (1604010640) 29957 RON
805 1 1 CONDUCTOR DE RETEA EU 4,15m 2 x 1,0mm H07 RN-F (1607000227) 8946 RON
808 1 1 PLACUTA INDICATOARE TIP 26x52 MM (1601106032) 893 RON
810 1 1 SET DE PERII DE CARBUNE (1607014176) 4584 RON
821 1 1 CARCASA ANGRENAJULUI (1605806485) 13532 RON
832 1 1 ARBORE DE ANTRENARE (1607000861) 24158 RON
869 1 1 ELEMENT DE ACTIONARE (2600499053) 190 RON

Conditii Generale