Acasa
Atelierultau.ro
Continut cos
TRANSPORT
Contul meu
Contact
Cauta produsul dorit:
Bun venit! [
Autentificare!
]
In cos:
0 produse
Top
»
Piese de schimb
»
PIESE BOSCH
»
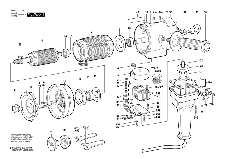
0602370101
HF MASINA DE SLEFUIT DISC (0602370101) / 265 V /
[0602370101]
Click pentru a mari
Imagini suplimentare
Click pentru a mari
LISTA DE COMPONENTE:
Numar
Versiune
Buc. in schema
Denumire
Pret/buc
(Tva inclus)
Cumpara
1
1
1
CARCASA MOTOR (3605102056)
1394
29
RON
2
1
1
GARNITURA INELARA DE ETANSARE (1600209009)
20
71
RON
3
1
1
SUPORT 200V/150HZ, 265V/200HZ (1604229207)
2286
63
RON
4
1
1
MUFA (1600306000)
7
81
RON
5
1
1
APARATOARE (1600502004)
14
52
RON
6
1
6
STIFT FILETAT (1603402004)
6
77
RON
8
1
1
ROTOR FARA INFASURARE (1604081013)
1099
50
RON
9
1
1
CAPAC DE LAGAR (3600134004)
50
99
RON
10
1
1
RULMENT CU BILE (3600905016)
63
74
RON
11
1
1
CAPAC DE LAGAR (3605808007)
787
18
RON
12
1
1
GARNITURA INELARA DE ETANSARE (1600209012)
11
17
RON
13
1
1
ARC-DISC DIN6888-3x6,5-ST60-2K (1900023007)
5
58
RON
14
1
1
VENTILATOR (1606610056)
274
8
RON
15
1
1
INEL INTERMEDIAR (1600341000)
110
71
RON
16
1
1
RULMENT CU BILE 6001 DIN 625 (1900900287)
81
27
RON
17
1
1
ARC 12 DIN 9045 (2916600007)
8
37
RON
18
1
1
INEL DE CAUCIUC (1600206015)
6
77
RON
19
1
1
MANER (3605132035)
138
63
RON
20
1
1
GARNITURA (1601015011)
13
54
RON
21
1
1
MUFA O11,5-O15x150 MM (1600703009)
Indisponibil
Indisponibil
22
1
1
CONDUCTOR ELECTRIC (3607030239)
250
18
RON
23
1
1
PLACA DE ETANSARE (1600113003)
10
36
RON
24
1
1
INTRERUPATOR PORNIT/OPRIT (1607200017)
353
75
RON
25
1
1
BRATARA DE FIXARE (1601303003)
7
81
RON
26
1
1
MANETA DE PORNIRE (1602026038)
16
73
RON
27
1
1
SAIBA DE ETANSARE O18xO10x4 MM (1600108024)
5
58
RON
30
1
1
PLACUTA INDICATOARE TIP (3601106053)
12
29
RON
31
1
2
CUI CU CAP CRESTAT DIN 1476-2x5 MM (3603133001)
5
58
RON
32
1
1
INEL CU ARC DIN 127-B12 (2916680011)
5
58
RON
33
1
1
SURUB CU OCHI DIN 580-M 8 (2912521237)
46
21
RON
34
1
1
MANER SUPLIMENTAR M14 NEGRU (1602025022)
55
91
RON
34
1
1
MANER SUPLIMENTAR M14, O37x115 MM NEGRU (1602025030)
63
74
RON
35
1
1
ETRIER DE FIXARE (3601321001)
10
36
RON
36
1
3
ARC DISC O4,2 MM (3600150006)
5
58
RON
37
1
1
SURUB CU CAP INECAT DIN 85-AM4x10-MS (2910110120)
5
58
RON
38
1
2
SURUB CU CAP CILINDRIC DIN 84-AM4x8-8.8 (2910021118)
5
58
RON
39
1
3
SURUB CU CAP CILINDRIC DIN 84-AM4x15-8.8 (2910021125)
5
58
RON
40
1
2
SURUB IMBUS DIN 912-M6x20-8.8 (2910141201)
8
93
RON
41
1
4
SURUB IMBUS DIN 912-M6x40-8.8 (2910141209)
8
93
RON
42
1
1
PLACUTA CU EMBLEMA FIRMEI (3601110104)
19
0
RON
43
1
3
MANSON ADERENT (3604477008)
5
58
RON
44
1
2
SURUB CU CAP CILINDRIC DIN 84-AM4x8-8.8 (2910021118)
5
58
RON
99
1
1
PLACUTA INDICATOARE (3601119236)
12
29
RON
651
1
1
CHEIE FIXA / FALCI MOBLE DIN 894 SW24 (1907950513)
55
77
RON
652
1
1
CHEIE FIXA / FALCI MOBLE SW 14 (1907950508)
50
99
RON
700
1
1
3605703052
-
Indisponibil
701
1
1
3605703053
-
Indisponibil
752
1
1
INTRERUPATOR PORNIT/OPRIT (1607200006)
312
32
RON
752/1
1
1
SURUB CU CAP CILINDRIC DIN 84-AM3x10-4.8 (2910001052)
6
77
RON
752/2
1
1
TRACTIUNE CU ARC (1604650009)
5
58
RON
752/4
1
6
SURUB CU CAP INECAT DIN 85-AM4x8-4.8 (2910091118)
5
58
RON
752/7
1
1
1603200007
-
Indisponibil
753
1
1
PLACA DE FIXARE (1601332010)
19
0
RON
754
1
2
INEL CU ARC DIN 128-A4-FST (2916690003)
5
58
RON
755
1
2
SURUB CU CAP CILINDRIC DIN 84-AM4x8-8.8 (2910021118)
5
58
RON
800
1
1
MANER (1605132067)
152
10
RON
Conditii Generale