Cauta produsul dorit:
Bun venit! [Autentificare!] In cos: 0 produse








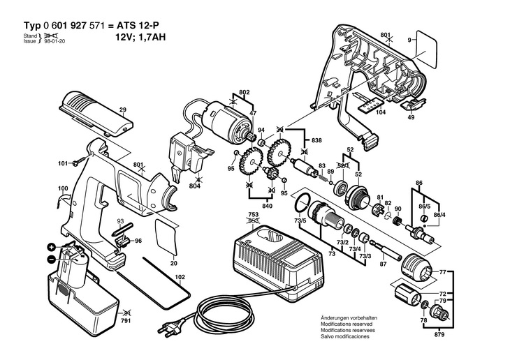
Top » Piese de schimb » PIESE BOSCH » 0601927571

MASINA DE INSURUBAT/GAURIT CU ACUMULATOR (0601927571) ATS 12P / 12 V /EU
[0601927571]

MASINA DE INSURUBAT/GAURIT CU ACUMULATOR 
 (0601927571)  ATS 12P / 12 V /EU
Click pentru a mari
Imagini suplimentare
MASINA DE INSURUBAT/GAURIT CU ACUMULATOR 
 (0601927571)  ATS 12P / 12 V /EU
Click pentru a mari
LISTA DE COMPONENTE:
Numar Versiune Buc. in schema Denumire Pret/buc
(Tva inclus)
Cumpara
9 1 1 PLACUTA CU EMBLEMA FIRMEI PARTE INSORITA (2601119488) 1229 RON
20 1 1 PLACUTA INDICATOARE PARTE UMBRITA (2601119489) 1229 RON
29 1 1 ADAOS NEGRU (2605510120) 893 RON
47 1 1 PINION Z=14 (2606316142) 1229 RON
49 1 1 ADAOS NEGRU (2605510117) 558 RON
52 1 1 MANSON DE GHIDARE (2600499038) 5577 RON
72 1 1 MANSON DE DISTANTARE NEGRU (3600360505) 2868 RON
73 1 1 BUCSA, DE MERS LIBER (2607001241) 7171 RON
73/2 1 1 CUZINET (3600301508) 558 RON
73/3 1 1 CUZINET (3600301510) 781 RON
73/4 1 1 GARNITURA INELARA DE ETANSARE (3600290503) 1117 RON
73/5 1 1 GARNITURA O (2600210043) 558 RON
77 1 1 BUCSA DE BLOCARE NEGRU (3600390502) 3354 RON
78 1 1 GARNITURA INELARA DE ETANSARE (3600290502) 1229 RON
79 1 1 LIMITATOR DE REGLARE A ADANCIMII (3600552501) 1229 RON
81 1 1 CUPLAJ (3606441500) 3665 RON
82 1 1 ARC (3600200516) 781 RON
83 1 1 ARC (3604613507) 781 RON
86 1 1 AXUL AMBREIAJULUI (2606445012) 23265 RON
86/4 1 1 COLIVIA RULMENTULUI (3600034504) 1117 RON
86/5 1 1 INEL DE SIGURANTA (3600118502) 837 RON
87 1 1 PORTSCULA 1/4" (3603008500) 5099 RON
89 1 1 BILA DIN 5401-6 G28 (1903230011) 558 RON
90 1 1 ARC (3604613506) 781 RON
93 1 1 2607000366 - Indisponibil
94 1 1 BUCSA SINTERIZATA (2600301011) 558 RON
95 1 2 BUCSA SINTERIZATA (2600302002) 558 RON
96 1 1 SUPORT (2608040131) 677 RON
100 1 1 ARC DE STRANGERE (2601322016) 1117 RON
101 1 5 SURUB CU CAP SEMIROTUND T 4x16 (2603490022) 558 RON
102 1 1 BRIDA DE RETINERE (2601329041) 837 RON
104 1 1 SUPORT DE CONTACT (2608018004) 1832 RON
753 1 1 INCARCATOR RAPID EU 230/7,2-14,4V (2607225499) 43060 RON
753 1 1 2607224273 - Indisponibil
791 1 1 ACUMULATOR DEMONTABIL 12V,1,7Ah,NiCd (2607335172) 59725 RON
801 1 1 CARCASA NEGRU (2605104830) 7171 RON
802 1 1 MOTOR DE CURENT CONTINUU 12V (2607022938) 31232 RON
804 1 1 INTRERUPATOR PORNIT/OPRIT (2607200392) 29957 RON
838 1 1 ARBORE INTERMEDIAR (2606309929) 18644 RON
840 1 1 ARBORE CANELAT (2606308922) 7171 RON
879 1 1 LIMITATOR DE REGLARE A ADANCIMII (3600552509) 10676 RON
879 1 1 LIMITATOR DE REGLARE A ADANCIMII (2610906321) 4143 RON

Conditii Generale