Cauta produsul dorit:
Bun venit! [Autentificare!] In cos: 0 produse








Top » Piese de schimb » PIESE BOSCH » 0601421745

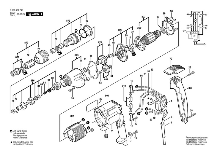
MASINA DE INSURUBAT (0601421745) GSR 625 TE / 115 V /CDN
[0601421745]

MASINA DE INSURUBAT  (0601421745)  GSR 625 TE / 115 V /CDN
Click pentru a mari
Imagini suplimentare
MASINA DE INSURUBAT  (0601421745)  GSR 625 TE / 115 V /CDN
Click pentru a mari
LISTA DE COMPONENTE:
Numar Versiune Buc. in schema Denumire Pret/buc
(Tva inclus)
Cumpara
3/60 1 1 VENTILATOR (1606610116) 1117 RON
4 1 1 INTRERUPATOR PORNIT/OPRIT (2610994891) 13532 RON
5 1 1 CONDUCTOR DE RETEA USA/CDN 2,15m 2 x 0,82mm SJ 18/2 (3604460555) 4143 RON
6 1 1 MUFA O6,5-O6,9x95 MM (2600703012) 893 RON
7 1 1 INTERUPATOR DE LINIE (2601035001) 558 RON
9 1 1 PLACUTA CU EMBLEMA FIRMEI (2610906830) 1229 RON
13 1 1 RULMENT CU BILE DIN 625-627-2Z (1900905018) 679 RON
14 1 1 RULMENT CU BILE (1610905013) 3354 RON
16 1 2 PORTPERIE (2604337003) 781 RON
19 1 2 SURUB CU CAP SEMIROTUND T 4x16 (2603490022) 558 RON
20 1 1 PLACUTA INDICATOARE (2610906850) 1229 RON
26 1 3 SURUB CU CAP SEMIROTUND T 4x30 (2603490025) 558 RON
29 1 1 DISC DE ACOPERIRE (3600590505) 781 RON
30 1 3 INSERTIE DIN CAUCIUC (3602391503) 558 RON
37 1 2 SURUB AUTOFILETANT M4x8 (2603410048) 558 RON
38 1 3 SURUB CU CAP SEMIROTUND T 4x20 (2603490023) 558 RON
40 1 1 CONDUCTA DE LEGATURA (3604448500) 781 RON
41 1 1 GARNITURA INELARA PLATA (3601016502) 1452 RON
44 1 1 INEL DE SIGURANTA DIN 471-12x1-FSt (2916650003) 558 RON
49 1 2 MANSON PTR. ACE RULMENT (2600917004) 1229 RON
50 1 1 MANSON PTR. ACE RULMENT O8xO12x10 MM (1610910057) 1117 RON
52 1 4 SURUB CU CAP SEMIROTUND T 3x10 (2603490017) 558 RON
53 1 1 CONDUCTA DE LEGATURA (3604448501) 781 RON
54 1 1 CONDUCTA DE LEGATURA (3604448502) 781 RON
55 1 1 CONDUCTA DE LEGATURA (3604448506) 1452 RON
56 1 1 CONDUCTA DE LEGATURA (3604448504) 781 RON
57 1 1 CONDUCTA DE LEGATURA (3604448507) 1452 RON
61 1 1 DISC DE ECHILIBRARE 0,5 MM (2600100628) Indisponibil Indisponibil
62 1 1 DISC DE ECHILIBRARE 0,3 MM (2600101654) 837 RON
70 1 1 CLIPS DE PRINDERE SCULA NEGRU (3600690503) 3354 RON
71 1 1 GARNITURA O (3600210506) 893 RON
72 1 1 MANSON DE DISTANTARE NEGRU (3600360505) 2868 RON
74 1 1 BILA DIN 5401-3,5 MM-III-ST (1903230006) 677 RON
75 1 1 COLIVIA RULMENTULUI (3600034504) 1117 RON
77 1 1 BUCSA DE BLOCARE NEGRU (3600390502) 3354 RON
78 1 2 GARNITURA INELARA DE ETANSARE (3600290502) 1229 RON
82 1 1 ARC (3600200516) 781 RON
83 1 1 ARC (3604613507) 781 RON
84 1 1 INEL DE SIGURANTA (3600118502) 837 RON
89 1 1 BILA DIN 5401-6 G28 (1903230011) 558 RON
91 1 1 ARC (3604613506) 781 RON
92 1 1 MANSON IZOLANT GRI (3600113506) 893 RON
99 1 1 SAIBA DE SIGURANTA (3600171504) 781 RON
801 1 1 CARCASA MOTOR ALBASTRU INCHIS (3605108557) 9242 RON
802 1 1 STATOR 100V (2604220446) 7171 RON
803 1 1 Rotor 115V (2604010801) 17223 RON
808 1 1 3601119718 - Indisponibil
810 1 1 SET DE PERII DE CARBUNE SET DE PERII DE CARBUNE COD VECHI2604321911 (2604321905) 3665 RON
825 1 1 CARCASA ANGRENAJULUI NEGRU (3605190518) 10624 RON
828 1 1 PUNTE LAGAR (3605806537) 10676 RON
839 1 1 CAPAC CARCASA ALBASTRU INCHIS (3605133521) 2868 RON
846 1 1 ARBORE DE ANTRENARE Z=33 (3606120566) 10624 RON
847 1 1 ARBORE CANELAT Z=41/17 (3606319522) 10624 RON
873 1 1 CUPLAJ (3605190520) 8275 RON
877 1 1 LIMITATOR DE REGLARE A ADANCIMII (3600552509) 10676 RON
879 1 1 3600552505 - Indisponibil
886 1 1 CUPLAJ (3606441503) 24158 RON
888 1 1 PLACUTA INDICATOARE TIP 26x52 MM (1601106032) 893 RON

Conditii Generale