Cauta produsul dorit:
Bun venit! [Autentificare!] In cos: 0 produse








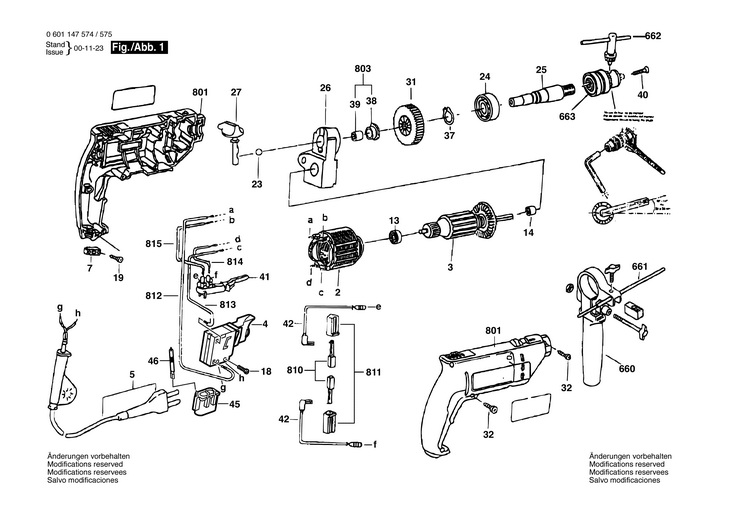
Top » Piese de schimb » PIESE BOSCH » 0601147574

MASINA DE GAURIT 2 TREPTE (0601147574) GSB 16 RE / 220 V /ZA
[0601147574]

MASINA DE GAURIT 2 TREPTE  (0601147574)  GSB 16 RE / 220 V /ZA
Click pentru a mari
Imagini suplimentare
MASINA DE GAURIT 2 TREPTE  (0601147574)  GSB 16 RE / 220 V /ZA
Click pentru a mari
LISTA DE COMPONENTE:
Numar Versiune Buc. in schema Denumire Pret/buc
(Tva inclus)
Cumpara
2 1 1 F000607013 - Indisponibil
3 1 1 Rotor 220V (F000605016) 18230 RON
4 1 1 INTRERUPATOR (2607200209) Indisponibil Indisponibil
5 1 1 9618087135 - Indisponibil
7 1 1 INTERUPATOR DE LINIE (F000635217) 558 RON
13 1 1 RULMENT CU BILE DIN 625-608-2Z-C3 (1900905029) 7171 RON
14 1 1 MANSON PTR. ACE RULMENT O8x8 MM (2600917003) 1117 RON
18 1 2 SURUB CU CAP CILINDRIC M3x6,5-4.8 (2603410001) 558 RON
19 1 2 SURUB PENTRU TABLA 4x16 MM (9618087099) 558 RON
23 1 1 BILA DIN 5401-5 G28 (1903230009) 558 RON
24 1 1 RULMENT CU BILE DIN 625-6001-2Z (1900905121) 5099 RON
25 1 1 ARBORE PORTBURGHIU (F000619022) 679 RON
26 1 1 F000600995 - Indisponibil
27 1 1 BARA DE CUPLARE (F000600146) 3354 RON
30 1 1 F000620000 - Indisponibil
31 1 1 ROATA DINTATA CILINDRICA (2606320054) 3466 RON
32 1 8 SURUB PENTRU TABLA 4x16 MM (9618087099) 558 RON
37 1 1 INEL DE SIGURANTA DIN 471-12x1-FSt (2916650003) 558 RON
38 1 1 ROATA DE CLICHET (2606490040) 2123 RON
39 1 1 MANSON PTR. ACE RULMENT O8x8 MM (2600917003) 1117 RON
40 1 1 SURUB CU CAP IN CRUCE (F000616006) 893 RON
40 1 1 SURUB CU CAP INGROPAT M6x27 FILET STANGA (2603421226) 558 RON
41 1 1 COMUTATOR COMUTATOR, cod vechi 2607200338 (2607200231) Indisponibil Indisponibil
43 1 2 CONDUCTA DE LEGATURA (9618089296) 558 RON
45 1 1 FILTRU DE DEPARAZITARE (2607329114) 2868 RON
46 1 1 2604448103 - Indisponibil
660 1 1 MANER (F000633014) 9242 RON
661 1 1 LIMITATOR DE REGLARE A ADANCIMII SW 6x210 MM (F000635207) 558 RON
662 1 1 CHEIE DE MANDRINE (9617081894) 2123 RON
663 1 1 9617085001 - Indisponibil
801 1 1 CARCASA MOTOR (F000601076) 7171 RON
803 1 1 DISC ANALIZOR (2606490056) 3354 RON
810 1 1 PERIE DE CARBUNE (F000611007) 3354 RON
812 1 1 CONDUCTA DE LEGATURA (9618087197) 558 RON
813 1 1 F000635121 - Indisponibil
814 1 1 CONDUCTA DE LEGATURA (9618089206) 558 RON
815 1 1 CONDUCTA DE LEGATURA (9618089208) 558 RON

Conditii Generale