Cauta produsul dorit:
Bun venit! [Autentificare!] In cos: 0 produse








Top » Piese de schimb » PIESE BOSCH » 3603D09050

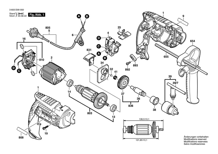
MASINA DE GAURIT PERCUTIE (3603D09050) PSB 450 RE / 100 V /J
[3603D09050]

MASINA DE GAURIT PERCUTIE  (3603D09050)  PSB 450 RE / 100 V /J
Click pentru a mari
Imagini suplimentare
MASINA DE GAURIT PERCUTIE  (3603D09050)  PSB 450 RE / 100 V /J
Click pentru a mari
LISTA DE COMPONENTE:
Numar Versiune Buc. in schema Denumire Pret/buc
(Tva inclus)
Cumpara
1 1 1 CARCASA (2609100450) 6374 RON
2 1 1 STATOR 100-110V (2604220654) 6374 RON
4 1 1 INTRERUPATOR ROSU (2607200568) 10624 RON
5 1 1 CONDUCTOR DE RETEA J 2,5m 2 x 0,75mm PVC (2604460135) 6374 RON
6 1 1 MUFA O8,8 MM (2600707061) 558 RON
9 1 1 PLACUTA CU EMBLEMA FIRMEI PSB 450 RE (2609130938) 893 RON
13 1 1 RULMENT CU BILE 8x22x7 (2609110153) 190 RON
14 1 1 RULMENT CU BILE (2609110491) 1676 RON
16 1 1 PLACA DE PERII (2609120376) 4621 RON
19 1 7 SURUB CU CAP SEMIROTUND T 4x16 (2603490022) 558 RON
25 1 1 PARGHIE (2609100580) 558 RON
32 1 1 BILA DIN 5401-5,5MM-III-ST (1903230010) 558 RON
34 1 1 PUNTE LAGAR (2609199073) 3466 RON
36 1 1 ARBORE PORTBURGHIU (2609110440) 3354 RON
37 1 1 ROATA DINTATA CILINDRICA (2606320092) 3466 RON
38 1 1 BUCSA SINTERIZATA (2609110442) 558 RON
39 1 1 MANDRINA COROANA DINTATA O1,0-10 MM, 3/8" (1608571079) 10676 RON
39/7 1 1 CHEIE DE MANDRINE SG2 (2607950007) 2071 RON
41 1 1 ARC DE PRESIUNE (2604616006) 558 RON
654 1 1 MANER SUPLIMENTAR (2602025094) 2459 RON
655 1 1 LIMITATOR DE REGLARE A ADANCIMII (2609005615) 1452 RON
803 1 1 Rotor 100V (2609120230) 12588 RON
808 1 1 PLACUTA INDICATOARE TIP (2609130937) 893 RON
810 1 1 SET DE PERII DE CARBUNE 100-127V (2609160125) 2123 RON
831 1 1 COMUTATOR (2609160127) 1229 RON
836 1 1 ARBORE PORTBURGHIU (2609160122) 6374 RON
892 1 2 SURUB CU CAP SEMIROTUND T 4x16 (2603490022) 558 RON
893 1 1 INTERUPATOR DE LINIE (1611035005) 677 RON

Conditii Generale