Cauta produsul dorit:
Bun venit! [Autentificare!] In cos: 0 produse








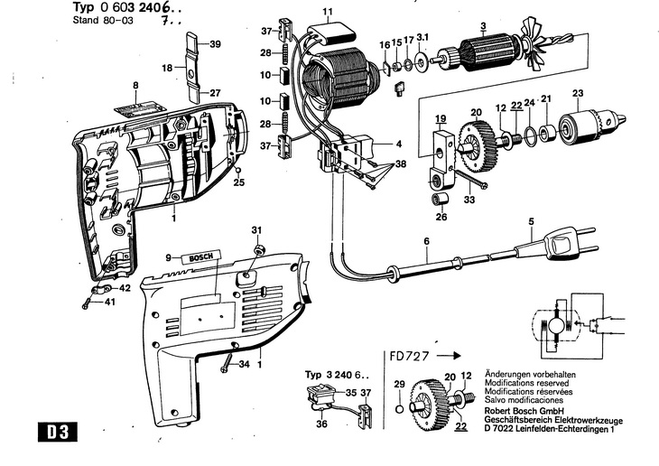
Top » Piese de schimb » PIESE BOSCH » 0603240603

MASINA DE GAURIT PERCUTIE (0603240603) P 120 SB / 220 V /EU
[0603240603]

MASINA DE GAURIT PERCUTIE  (0603240603)  P 120 SB / 220 V /EU
Click pentru a mari
Imagini suplimentare
MASINA DE GAURIT PERCUTIE  (0603240603)  P 120 SB / 220 V /EU
Click pentru a mari
LISTA DE COMPONENTE:
Numar Versiune Buc. in schema Denumire Pret/buc
(Tva inclus)
Cumpara
1 1 1 2605104933 - Indisponibil
2 1 1 2604220363 - Indisponibil
3 1 1 2604220356 - Indisponibil
3 1 1 2604010489 - Indisponibil
4 1 1 INTRERUPATOR PORNIT/OPRIT (1607200060) 3354 RON
4 1 1 INTRERUPATOR PORNIT/OPRIT (1609202464) 12588 RON
5 1 1 CONDUCTOR DE RETEA (1607000388) 4143 RON
6 1 1 MUFA O7,5 MM (1600703016) 558 RON
6 1 1 MUFA O9,5 MM (2600703006) 558 RON
8 1 1 PLACUTA INDICATOARE TIP (2601105051) 558 RON
9 1 1 PLACUTA CU EMBLEMA FIRMEI (1601110013) 558 RON
11 1 1 2607329089 - Indisponibil
12 1 1 DISC DE ECHILIBRARE 0,5 MM (2600101616) 558 RON
12 1 1 DISC DE ECHILIBRARE 0,5 MM (2600101616) 558 RON
12 1 1 DISC DE ECHILIBRARE 0,3 MM (2600101617) 558 RON
13 1 1 PASLA DE UNGERE (2601020005) 558 RON
15 1 1 BUCSA SINTERIZATA (1900301004) 5099 RON
16 1 1 PLACA DE PRESIUNE 1,5 MM (1601000013) 558 RON
16 1 1 PLACA INTERMEDIARA 0,3 MM (2601000018) 558 RON
16 1 1 PLACA INTERMEDIARA 0,3 MM (2601000018) 558 RON
17 1 1 GARNITURA O (1610210014) 558 RON
18 1 1 REGULATOR DE AVANS (2601322003) 893 RON
19 1 1 PUNTE LAGAR (2605807901) 5479 RON
20 1 1 ROATA DINTATA CILINDRICA Z=46 (2606320013) 679 RON
21 1 1 RULMENT CU ROLE CILINDRICE (1900301014) 3354 RON
22 1 1 2606135900 - Indisponibil
22 1 1 2606135902 - Indisponibil
22 1 1 2603515003 - Indisponibil
22 1 1 ARBORE PORTBURGHIU (2603524007) 2459 RON
23 1 1 1608571033 - Indisponibil
23 1 1 CHEIE DE MANDRINE SG2 (2607950007) 2071 RON
24 1 1 GARNITURA O 15x2,5 MM (1900210113) 893 RON
25 1 1 BILA DIN 5401-5 G28 (1903230009) 558 RON
26 1 1 MANSON PTR. ACE RULMENT O8xO12x10 MM (1610910057) 1117 RON
27 1 1 CAPAC DE PROTECTIE (2600522002) 558 RON
28 1 2 ARC DE PRESIUNE (2604610009) 558 RON
29 1 1 BILA DIN 5401-O7MM-III-ST (1903230013) 558 RON
31 1 1 PIULITA HEXAGONALA DIN 934-M6-8-A cod vechi 2915011007 PIULITA HEXAGONALA (3603435044) 558 RON
32 1 1 ROLA CU ACE A 3x15,8G2DIN5402 (1903201044) 893 RON
33 1 2 SURUB PENTRU TABLA DIN 7971 B4,2x32 (2910211296) 558 RON
34 1 7 SURUB PENTRU TABLA DIN 7971-ST3,9x16-F (2910211019) 558 RON
35 1 1 2607200904 - Indisponibil
36 1 1 2607320008 - Indisponibil
37 1 1 2604337001 - Indisponibil
38 1 4 SURUB CU CAP CILINDRIC M3x6,5-4.8 (2603410001) 558 RON
39 1 1 CAPAC DE PROTECTIE (2600522003) 558 RON
41 1 2 SURUB PENTRU TABLA DIN 7971-BZ2,9x6,5 (2910211004) 558 RON
42 1 1 1601034026 - Indisponibil
700 1 1 2602025023 - Indisponibil
810 1 1 PERIE DE CARBUNE (1604321900) 2123 RON
888 1 1 PLACUTA INDICATOARE TIP 26x52 MM (1601106032) 893 RON

Conditii Generale