Cauta produsul dorit:
Bun venit! [Autentificare!] In cos: 0 produse








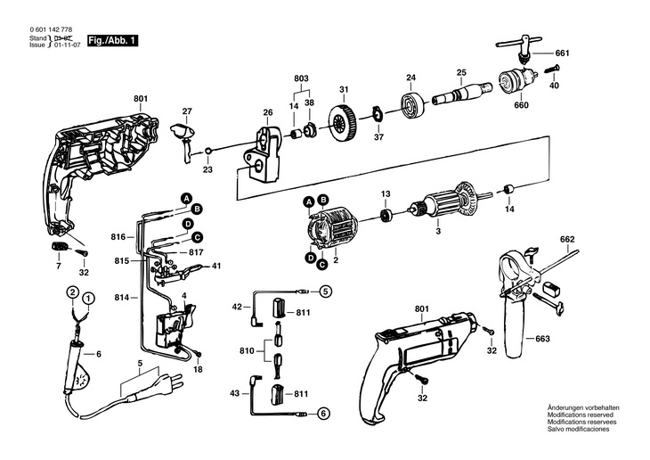
Top » Piese de schimb » PIESE BOSCH » 0601142778

MASINA DE GAURIT PERCUTIE (0601142778) GSB 16 RE / 220 V /BR
[0601142778]

MASINA DE GAURIT PERCUTIE  (0601142778)  GSB 16 RE / 220 V /BR
Click pentru a mari
Imagini suplimentare
MASINA DE GAURIT PERCUTIE  (0601142778)  GSB 16 RE / 220 V /BR
Click pentru a mari
LISTA DE COMPONENTE:
Numar Versiune Buc. in schema Denumire Pret/buc
(Tva inclus)
Cumpara
2 1 1 9618089662 - Indisponibil
3 1 1 9618089663 - Indisponibil
4 1 1 INTRERUPATOR (2607200202) 15297 RON
5 1 1 9618087135 - Indisponibil
7 1 1 INTERUPATOR DE LINIE (2601035001) 558 RON
13 1 1 RULMENT CU BILE 8x22x7 608-2Z/C3 (3130900020) 190 RON
14 1 1 MANSON PTR. ACE RULMENT O8x8 MM (2600917003) 1117 RON
18 1 2 SURUB CU CAP CILINDRIC M3x6,5-4.8 (2603410001) 558 RON
19 1 2 SURUB PENTRU TABLA 4x16 MM (9618087099) 558 RON
23 1 1 BILA DIN 5401-5 G28 (1903230009) 558 RON
24 1 1 9618081609 - Indisponibil
25 1 1 F000600316 - Indisponibil
26 1 1 LAGAR MOTOR (F000600076) 3466 RON
27 1 1 BARA DE CUPLARE (F000600146) 3354 RON
31 1 1 ROATA DINTATA (9618089890) 4584 RON
32 1 8 SURUB PENTRU TABLA 4x16 MM (9618087099) 558 RON
37 1 1 INEL DE SIGURANTA DIN 471-12x1-FSt (2916650003) 558 RON
38 1 1 ROATA DE CLICHET (2606490040) 2123 RON
40 1 1 SURUB CU CAP INGROPAT M6x27 FILET STANGA (2603421226) 558 RON
41 1 1 COMUTATOR COMUTATOR, cod vechi 2607200338 (2607200231) Indisponibil Indisponibil
42 1 1 CONDUCTA DE LEGATURA L=85 MM ALB (2604448147) 558 RON
43 1 1 CONDUCTA DE LEGATURA L=85 MM ALB (2604448147) 558 RON
660 1 1 F000632011 - Indisponibil
661 1 1 CHEIE DE MANDRINE (9617081894) 2123 RON
662 1 1 LIMITATOR DE REGLARE A ADANCIMII SW 6x210 MM (F000635207) 558 RON
663 1 1 MANER (F000633014) 9242 RON
801 1 1 F000600181 - Indisponibil
803 1 1 DISC ANALIZOR (2606490056) 3354 RON
810 1 1 PERIE DE CARBUNE (F000611007) 3354 RON
811 1 2 PORTPERIE (9618086695) 781 RON
814 1 1 CONDUCTA DE LEGATURA (9618087197) 558 RON
815 1 1 F000635121 - Indisponibil
816 1 1 CONDUCTA DE LEGATURA (9618089208) 558 RON
817 1 1 CONDUCTA DE LEGATURA (9618089206) 558 RON

Conditii Generale