Cauta produsul dorit:
Bun venit! [Autentificare!] In cos: 0 produse








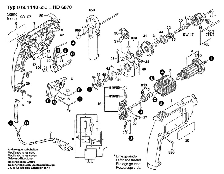
Top » Piese de schimb » PIESE BOSCH » 0601140656

MASINA DE GAURIT PERCUTIE (0601140656) HD6870 TYPE 1 / 120 V /USA
[0601140656]

MASINA DE GAURIT PERCUTIE  (0601140656)  HD6870 TYPE 1 / 120 V /USA
Click pentru a mari
Imagini suplimentare
MASINA DE GAURIT PERCUTIE  (0601140656)  HD6870 TYPE 1 / 120 V /USA
Click pentru a mari
LISTA DE COMPONENTE:
Numar Versiune Buc. in schema Denumire Pret/buc
(Tva inclus)
Cumpara
1 1 1 CARCASA GRI (2605104462) 8275 RON
2 1 1 STATOR 115V (2604220440) 10676 RON
3 1 1 Rotor 110-120V (2604011051) 22480 RON
3/60 1 1 VENTILATOR (2606610029) 837 RON
4 1 1 INTRERUPATOR PORNIT/OPRIT (2607200332) 17223 RON
5 1 1 CONDUCTOR DE RETEA USA/CDN 2,68m 2 x 0,82mm SJ 18/2 (2604460188) 5032 RON
6 1 1 MUFA O8,2 MM (2600707060) 893 RON
7 1 1 INTERUPATOR DE LINIE (2601035001) 558 RON
9 1 1 2601118513 - Indisponibil
14 1 1 RULMENT CU BILE 9 MM (2600905039) 4143 RON
16 1 1 PLACA DE PERII (2609992627) 5032 RON
18 1 2 SURUB CU CAP CILINDRIC M3x6,5-4.8 (2603410001) 558 RON
19 1 12 SURUB CU CAP SEMIROTUND T 4x16 (2603490022) 558 RON
20 1 1 2601118514 - Indisponibil
27 1 2 SURUB CU CAP SEMIROTUND T 3x10 (2603490017) 558 RON
28 1 2 SURUB CU CAP CILINDRIC DIN 84-BM4x30-8.8 (2910021134) 558 RON
29 1 1 PLACA IZOLANTA (2601022000) 558 RON
30 1 1 ARBORE PORTBURGHIU 1/2",M6 FILET STANGA (2606135033) 3689 RON
31 1 1 SAIBA DE SIGURANTA 0,8 MM (2600118002) 558 RON
31 1 1 SAIBA DE SIGURANTA 0,6 MM (2600118001) 558 RON
31 1 1 SAIBA DE SIGURANTA 0,3 MM (2600118006) 558 RON
32 1 1 ARC DE PRESIUNE (2604617000) 837 RON
33 1 1 RULMENT CU BILE DIN 625-6002-2-Z (1900905122) 3354 RON
34 1 1 ROATA DINTATA CILINDRICA Z=42 (2606320050) 6374 RON
35 1 1 BILA DIN 5401-5,5MM-III-ST (1903230010) 558 RON
36 1 1 DISC DE CUPLARE NEGRU (2601990001) 558 RON
37 1 1 PLACA DE PRESIUNE (2601074003) 558 RON
39 1 1 DISC ANALIZOR (2606490056) 3354 RON
41 1 1 DISC DE PASLA (2600108000) 558 RON
42 1 1 DISC (2600500014) 558 RON
43 1 1 GARNITURA O 18x3 MM (1900210117) 1229 RON
44 1 1 INEL DE SIGURANTA DIN 472-24x1,2 MM (2916660008) 677 RON
45 1 1 MUFA DE JONCTIUNE (2600400008) 558 RON
47 1 2 GARNITURA O 5x1,5 MM (1900210000) 558 RON
48 1 2 BANDA DE PASLA (2601005011) 558 RON
49 1 1 CONDUCTOR ELECTRIC L=173 MM ALB (2604448060) 558 RON
50 1 1 CONDUCTOR ELECTRIC L=98 MM NEGRU (2604448045) 558 RON
51 1 1 CONDUCTA DE LEGATURA L=88 MM ALB (2604448034) 558 RON
52 1 1 CONDUCTA DE LEGATURA L=103MM ALBASTRU (2604448132) 558 RON
53 1 1 CABLU DE LEGATURA L=73MM ALB (2604448115) 558 RON
59 1 1 ETICHETA ADEZIVA (2601110580) 558 RON
60 1 1 SURUB CU CAP INGROPAT M6x31 MM FILET STANGA (2603421209) 558 RON
653 1 1 MANER SUPLIMENTAR NEGRU (2602025057) 4584 RON
653/20 1 1 SURUB CU CAP HEXAGONAL M 6x45 DIN 931-8.8 (2911001211) 558 RON
653/30 1 1 PIULITA-FLUTURE M 6 DIN 315-G-GTW-40 (2915191006) 558 RON
655 1 1 CAPSULA (2600510004) 558 RON
754 1 1 2607010026 - Indisponibil
756 1 1 1608571061 - Indisponibil
756/7 1 1 CHEIE DE MANDRINE SG2 (2607950007) 2071 RON
808 1 1 PLACUTA INDICATOARE TIP 26x52 MM (1601106032) 893 RON
813 1 1 MANSON PTR. ACE RULMENT (2600917902) 2459 RON
816/04 1 1 SET DE PERII DE CARBUNE (2604321916) Indisponibil Indisponibil
816/06 1 2 CAPAC DE BLOCARE (2601329051) 837 RON
816/06 1 2 CAPAC DE BLOCARE (2601322013) 558 RON
825 1 1 COMUTATOR COMUTATOR, cod vechi 2607200338 (2607200231) Indisponibil Indisponibil
839 1 1 PUNTE LAGAR (2605807915) 679 RON

Conditii Generale