Cauta produsul dorit:
Bun venit! [Autentificare!] In cos: 0 produse








Top » Piese de schimb » PIESE BOSCH » 0603112738

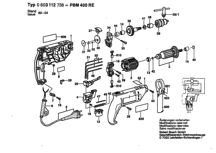
MASINA DE GAURIT (0603112738) PBM 400RE / 100 V /J
[0603112738]

MASINA DE GAURIT  (0603112738)  PBM 400RE / 100 V /J
Click pentru a mari
Imagini suplimentare
MASINA DE GAURIT  (0603112738)  PBM 400RE / 100 V /J
Click pentru a mari
LISTA DE COMPONENTE:
Numar Versiune Buc. in schema Denumire Pret/buc
(Tva inclus)
Cumpara
1 1 1 CARCASA VERDE (2605104837) 679 RON
2 1 1 STATOR 100V (2604220446) 7171 RON
3 1 1 Rotor 100V (2604010705) 17223 RON
4 1 1 INTRERUPATOR (2607200203) 16328 RON
5 1 1 CONDUCTOR DE RETEA J 2,5m 2 x 0,75mm PVC (2604460153) 6374 RON
6 1 1 MUFA O6,9 MM (2600707059) 893 RON
6 1 1 MUFA O8,8 MM (2600707061) 558 RON
7 1 1 INTERUPATOR DE LINIE (2601035001) 558 RON
8 1 1 PLACUTA INDICATOARE TIP 26x52 MM (1601106032) 893 RON
12 1 1 FILTRU DE DEPARAZITARE (2607329114) 2868 RON
13 1 1 RULMENT CU BILE 7x19x6 (2600905032) 1676 RON
14 1 2 MANSON PTR. ACE RULMENT O8x8 MM (2600917003) 1117 RON
16 1 1 PLACA DE PERII (2605807060) Indisponibil Indisponibil
18 1 2 SURUB CU CAP CILINDRIC M3x6,5-4.8 (2603410001) 558 RON
19 1 2 SURUB CU CAP SEMIROTUND T 4x16 (2603490022) 558 RON
25 1 1 COMUTATOR COMUTATOR, cod vechi 2607200338 (2607200231) Indisponibil Indisponibil
26 1 1 PLACA IZOLANTA (2601022000) 558 RON
27 1 1 2605510044 - Indisponibil
28 1 8 SURUB PENTRU TABLA DIN 7981-3,9x19-C-Z-ST (2912401020) 558 RON
29 1 1 GARNITURA O 5x1,5 MM (2600210036) 558 RON
30 1 1 2601990002 - Indisponibil
31 1 1 DISC DE SPRIJIN (2600100034) 558 RON
32 1 1 PLACA DE PRESIUNE (2600025005) 558 RON
33 1 1 BILA DIN 5401-6 G28 (1903230011) 558 RON
34 1 1 PUNTE LAGAR (2605807919) 5032 RON
35 1 2 SURUB CU CAP SEMIROTUND DIN 7985-M4x25-8.8 (2910951132) 558 RON
36 1 1 ARBORE PORTBURGHIU Z= 45 (2606135909) 679 RON
38 1 1 BUCSA SINTERIZATA (2600301013) 558 RON
39 1 1 1608571053 - Indisponibil
39/1 1 1 CHEIE DE MANDRINE SG2 (2607950007) 2071 RON
40 1 1 PLACA DE PRESIUNE (2601330005) 558 RON
41 1 1 DISC DE ECHILIBRARE 0,3 MM (2600101604) 558 RON
42 1 1 INEL DE SIGURANTA DIN 471-7x0,8-FST (2916640004) 558 RON
43 1 4 SURUB CU CAP SEMIROTUND T 3x10 (2603490017) 558 RON
44 1 1 2600200031 - Indisponibil
45 1 1 CONDUCTOR CU IMPAMANTARE (2604448170) 781 RON
46 1 1 CONDUCTOR ELECTRIC L=173 MM ALB (2604448060) 558 RON
47 1 1 CONDUCTOR ELECTRIC L=98 MM NEGRU (2604448045) 558 RON
48 1 1 CONDUCTA DE LEGATURA L=88 MM ALB (2604448034) 558 RON
50 1 2 CABLU DE LEGATURA L=73MM ALB (2604448115) 558 RON
51 1 1 CONDUCTA DE LEGATURA L=103MM ALBASTRU (2604448132) 558 RON
52 1 1 2601110847 - Indisponibil
620 1 1 2602025032 - Indisponibil
621 1 1 SURUB CU CAP HEXAGONAL M 6x45 DIN 931-8.8 (2911001211) 558 RON
622 1 1 PIULITA-FLUTURE M 6 DIN 315-G-GTW-40 (2915191006) 558 RON
809 1 1 2601110845 - Indisponibil
810 1 1 SET DE PERII DE CARBUNE SET DE PERII DE CARBUNE COD VECHI2604321911 (2604321905) 3665 RON
820 1 1 2601110846 - Indisponibil

Conditii Generale