Cauta produsul dorit:
Bun venit! [Autentificare!] In cos: 0 produse








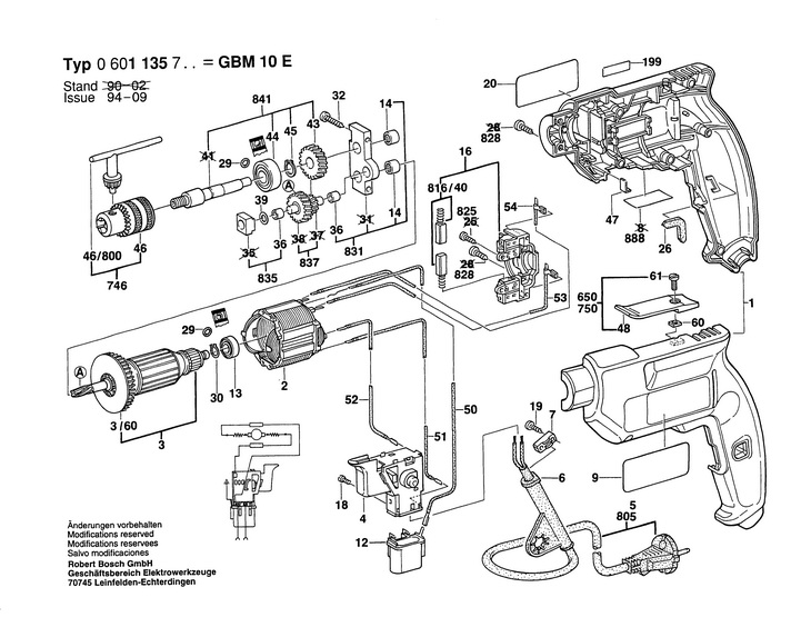
Top » Piese de schimb » PIESE BOSCH » 0601135703

MASINA DE GAURIT (0601135703) GBM 10 E / 230 V /EU
[0601135703]

MASINA DE GAURIT  (0601135703)  GBM 10 E / 230 V /EU
Click pentru a mari
Imagini suplimentare
MASINA DE GAURIT  (0601135703)  GBM 10 E / 230 V /EU
Click pentru a mari
LISTA DE COMPONENTE:
Numar Versiune Buc. in schema Denumire Pret/buc
(Tva inclus)
Cumpara
1 1 1 CARCASA ALBASTRU (2605104316) 679 RON
2 1 1 STATOR 220-240V (2604220423) Indisponibil Indisponibil
3 1 1 Rotor 230-240V (2604010780) 25018 RON
3/60 1 1 VENTILATOR (1606610116) 1117 RON
4 1 1 INTRERUPATOR (1617200089) 8946 RON
6 1 1 MUFA O6,9 MM (2600707059) 893 RON
6 1 1 MUFA O8,8 MM (2600707061) 558 RON
7 1 1 INTERUPATOR DE LINIE (2601035001) 558 RON
9 1 1 PLACUTA CU EMBLEMA FIRMEI PARTE INSORITA (2601118576) 1229 RON
12 1 1 FILTRU DE DEPARAZITARE (2607329114) 2868 RON
13 1 1 RULMENT CU BILE 7x19x6 (2600905032) 1676 RON
14 1 2 MANSON PTR. ACE RULMENT O8x8 MM (2600917003) 1117 RON
16 1 1 PLACA DE PERII (2609992606) Indisponibil Indisponibil
18 1 2 SURUB CU CAP CILINDRIC M3x6,5-4.8 (2603410001) 558 RON
19 1 2 SURUB PENTRU TABLA DIN 7981-ST3,9x16-C-H (2910611019) 1036 RON
20 1 1 PLACUTA INDICATOARE PARTE UMBRITA (2601118572) 1229 RON
29 1 2 GARNITURA O 5x1,5 MM (1900210000) 558 RON
30 1 1 INEL DE DISTANTARE (2600209004) 558 RON
32 1 2 SURUB PENTRU TABLA DIN 7983 ST4,2x32-C-H (2910611096) Indisponibil Indisponibil
36 1 2 MANSON PTR. ACE RULMENT (2600917004) 1229 RON
39 1 2 DISC DE ECHILIBRARE 0,3 MM (2600100627) 558 RON
43 1 1 ROATA DINTATA CILINDRICA Z=27 (2606320046) 5926 RON
44 1 1 RULMENT CU BILE 6200-2Z DIN 625 (1900905232) 7171 RON
45 1 1 INEL DE SIGURANTA DIN 471-10x1MM-FSt (2916650001) 558 RON
46/800 1 1 CHEIE DE MANDRINE SG2 (2607950007) 2071 RON
50 1 1 2604448103 - Indisponibil
51 1 1 CONDUCTOR ELECTRIC L=98 MM NEGRU (2604448045) 558 RON
52 1 1 CONDUCTOR ELECTRIC L=173 MM ALB (2604448060) 558 RON
53 1 1 CABLU DE LEGATURA L=88 MM ALB (2604448130) 558 RON
54 1 1 CONDUCTA DE LEGATURA L=73 MM ALB (2604448123) 558 RON
60 1 1 PIULITA PATRATA DIN 562-M4-04 (2915121004) 558 RON
61 1 1 SURUB CU CAP INECAT DIN 85-M4x10-4.8 (2910091120) 558 RON
63 1 1 ARC (2604601004) 558 RON
199 1 1 ETICHETA ADEZIVA (1601110265) 1229 RON
746 1 1 1608571054 - Indisponibil
750 1 1 2608040050 - Indisponibil
805 1 1 CONDUCTOR DE RETEA EU 2,6m 2 x 1,0 mm (1607000385) 5099 RON
816/04 1 1 SET DE PERII DE CARBUNE (2604320911) 2123 RON
816/06 1 2 CAPAC DE BLOCARE (2601329051) 837 RON
816/06 1 2 CAPAC DE BLOCARE (2601322013) 558 RON
825 1 2 SURUB PENTRU TABLA DIN 7981-B2,9x16-C-H (2910611007) 558 RON
828 1 10 SURUB PENTRU TABLA DIN 7981-ST3,9x19-C-H (2910611020) 558 RON
831 1 1 PUNTE LAGAR (2605807920) 5479 RON
835 1 1 REAZEM (2600917903) 2459 RON
837 1 1 ARBORE CANELAT Z=12/24 (2606311906) 8127 RON
841 1 1 ARBORE PORTBURGHIU 1/2", M6 FILET STANGA (2606135912) 15297 RON
888 1 1 PLACUTA INDICATOARE TIP 26x52 MM (1601106032) 893 RON

Conditii Generale