Cauta produsul dorit:
Bun venit! [Autentificare!] In cos: 0 produse








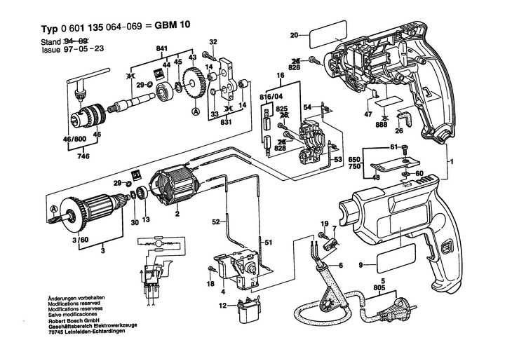
Top » Piese de schimb » PIESE BOSCH » 0601135064

MASINA DE GAURIT (0601135064) GBM 10 / 230 V /T
[0601135064]

MASINA DE GAURIT  (0601135064)  GBM 10 / 230 V /T
Click pentru a mari
Imagini suplimentare
MASINA DE GAURIT  (0601135064)  GBM 10 / 230 V /T
Click pentru a mari
LISTA DE COMPONENTE:
Numar Versiune Buc. in schema Denumire Pret/buc
(Tva inclus)
Cumpara
1 1 1 CARCASA ALBASTRU (2605104316) 679 RON
2 1 1 STATOR 240V (2604220398) 5926 RON
3 1 1 Rotor 230-240V (2604010784) 16328 RON
3/60 1 1 VENTILATOR (1606610116) 1117 RON
4 1 1 INTRERUPATOR (2607200260) 3665 RON
5 1 1 CONDUCTOR DE RETEA CH 2,65m 2 x 1,0mm H05 VV-F (2604460143) 2459 RON
6 1 1 MUFA O6,9 MM (2600707059) 893 RON
6 1 1 MUFA O8,8 MM (2600707061) 558 RON
7 1 1 INTERUPATOR DE LINIE (2601035001) 558 RON
9 1 1 ETICHETA ADEZIVA PARTE INSORITA (2601110954) 558 RON
13 1 1 RULMENT CU BILE 7x19x6 (2600905032) 1676 RON
14 1 1 MANSON PTR. ACE RULMENT O8x8 MM (2600917003) 1117 RON
16 1 1 PLACA DE PERII (2605807052) 6374 RON
18 1 2 SURUB CU CAP CILINDRIC M3x6,5-4.8 (2603410001) 558 RON
19 1 2 SURUB PENTRU TABLA DIN 7981-ST3,9x16-C-H (2910611019) 1036 RON
20 1 1 PLACUTA INDICATOARE PARTE UMBRITA (2601118572) 1229 RON
28 1 10 SURUB PENTRU TABLA DIN 7981-ST3,9x19-C-H (2910611020) 558 RON
29 1 2 GARNITURA O 5x1,5 MM (2600210036) 558 RON
30 1 1 INEL DE DISTANTARE (2600209004) 558 RON
32 1 2 SURUB CU CAP SEMIROTUND T 4x30 (2603490025) 558 RON
33 1 1 CAPAC DE INCHIDERE (2605500111) 558 RON
43 1 1 ROATA DINTATA CILINDRICA Z=46 (2606320021) 6374 RON
44 1 1 RULMENT CU BILE 6200-2Z DIN 625 (1900905232) 7171 RON
45 1 1 INEL DE SIGURANTA DIN 471-10x1MM-FSt (2916650001) 558 RON
46/800 1 1 CHEIE DE MANDRINE SG2 (2607950007) 2071 RON
47 1 1 PLACA DE PRESIUNE (2601330005) 558 RON
51 1 1 CABLU DE LEGATURA L=83 MM NEGRU (2604448129) 558 RON
52 1 1 CONDUCTOR ELECTRIC L=173 MM ALB (2604448060) 558 RON
53 1 1 CABLU DE LEGATURA L=88 MM ALB (2604448130) 558 RON
54 1 1 CONDUCTA DE LEGATURA L=73 MM ALB (2604448123) 558 RON
60 1 1 PIULITA PATRATA DIN 562-M4-04 (2915121004) 558 RON
61 1 1 SURUB CU CAP INECAT DIN 85-M4x10-4.8 (2910091120) 558 RON
746 1 1 1608571054 - Indisponibil
750 1 1 2608040050 - Indisponibil
816/04 1 1 SET DE PERII DE CARBUNE SET DE PERII DE CARBUNE COD VECHI2604321911 (2604321905) 3665 RON
816/06 1 2 CAPAC DE BLOCARE (2601329051) 837 RON
816/06 1 2 CAPAC DE BLOCARE (2601322013) 558 RON
825 1 2 SURUB PENTRU TABLA DIN 7981-B2,9x16-C-H (2910611007) 558 RON
828 1 10 SURUB PENTRU TABLA DIN 7981-3,9x19-C-Z-ST (2912401020) 558 RON
831 1 1 CUZINET (2605807921) 5032 RON
841 1 1 ARBORE PORTBURGHIU 1/2",1/4 (2606135913) 11071 RON
888 1 1 PLACUTA INDICATOARE TIP 26x52 MM (1601106032) 893 RON

Conditii Generale