Cauta produsul dorit:
Bun venit! [Autentificare!] In cos: 0 produse








Top » Piese de schimb » PIESE BOSCH » 0601044639

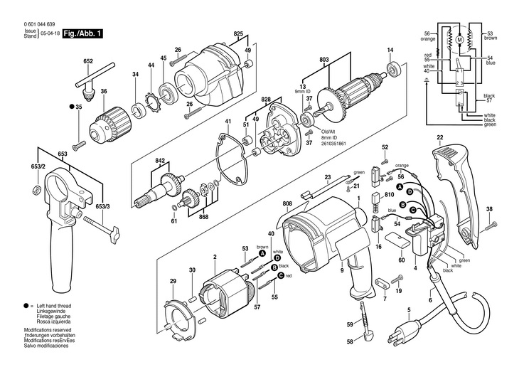
MASINA DE GAURIT (0601044639) 1011 VSR / 120 V /USA
[0601044639]

MASINA DE GAURIT  (0601044639)  1011 VSR / 120 V /USA
Click pentru a mari
Imagini suplimentare
MASINA DE GAURIT  (0601044639)  1011 VSR / 120 V /USA
Click pentru a mari
LISTA DE COMPONENTE:
Numar Versiune Buc. in schema Denumire Pret/buc
(Tva inclus)
Cumpara
1 1 1 CARCASA MOTOR ALBASTRU (2610998101) 7171 RON
2 1 1 STATOR 120V (2604220703) 7171 RON
4 1 1 INTRERUPATOR PORNIT/OPRIT (2610998107) 15210 RON
5 1 1 CONDUCTOR DE RETEA USA 2,689m 3 x 0,82mm SJ 18/3 (2610998127) 8275 RON
6 1 1 MUFA O8,2 MM (2600707060) 893 RON
7 1 1 INTERUPATOR DE LINIE (2601035001) 558 RON
9 1 1 PLACUTA CU EMBLEMA FIRMEI (2610998418) 1229 RON
13 1 1 RULMENT CU BILE (2600905107) 4143 RON
14 1 1 RULMENT CU BILE DIN 625-627-2Z (1900905018) 679 RON
16 1 2 PORTPERIE (2604337003) 781 RON
19 1 2 SURUB CU CAP SEMIROTUND T 4x16 (2603490022) 558 RON
21 1 1 SURUB CU CAP IN CRUCE (2610907525) 558 RON
22 1 1 CAPAC CARCASA (2610998102) 3665 RON
23 1 1 CONDUCTOR CU IMPAMANTARE (2610998118) 781 RON
26 1 3 SURUB CU CAP SEMIROTUND T 4x30 (2603490025) 558 RON
29 1 1 DEFLECTOR DE AER (2610998115) 677 RON
30 1 2 TAMPON DIN CAUCIUC (2602391004) 677 RON
34 1 1 GARNITURA INELARA (2610998132) 781 RON
35 1 1 SURUB CU CAP INGROPAT 1/4" 28UNF-2A (2603421009) 677 RON
36 1 1 MANDRINA COROANA DINTATA 3/8" (2610350947) 18644 RON
37 1 2 SURUB AUTOFILETANT M4x8 (2603410048) 558 RON
38 1 3 SURUB CU CAP SEMIROTUND T 4x20 (2603490023) 558 RON
40 1 1 CONDUCTA DE LEGATURA (2604448287) 558 RON
41 1 1 SAIBA DE ETANSARE (2610998117) 558 RON
44 1 1 INEL DE SIGURANTA (2610998128) 558 RON
45 1 1 RULMENT (2610968044) 4584 RON
49 1 2 MANSON PTR. ACE RULMENT O6 MM (2600914010) 1117 RON
51 1 1 MANSON PTR. ACE RULMENT O8xO12x8 MM (1600910018) 1673 RON
52 1 4 SURUB CU CAP SEMIROTUND T 3x10 (2603490017) 558 RON
53 1 1 CONDUCTA DE LEGATURA (2604448294) 558 RON
54 1 1 CONDUCTA DE LEGATURA (2604448284) 558 RON
55 1 1 CONDUCTA DE LEGATURA (2604448286) 558 RON
56 1 1 CONDUCTA DE LEGATURA (2604448285) 558 RON
57 1 1 CONDUCTA DE LEGATURA (2604448295) 558 RON
58 1 1 MANER DE INCHIDERE (2610998114) 893 RON
59 1 1 ARC DE PRESIUNE (2610998116) 558 RON
60 1 1 COMUTATOR DE INVERSARE (2610998113) 837 RON
61 1 1 DISC DE ECHILIBRARE 0,3 MM (2600100607) 558 RON
652 1 1 CHEIE DE MANDRINE (3608571539) 2868 RON
653 1 1 MANER SUPLIMENTAR (2602025094) 2459 RON
653/2 1 1 PIULITA HEXAGONALA DIN 934-M6-8-A cod vechi 2915011007 PIULITA HEXAGONALA (3603435044) 558 RON
653/3 1 1 SURUB-FLUTURE M6x(15)55 (1613480007) 558 RON
803 1 1 Rotor (2604011901) 25018 RON
808 1 1 PLACUTA INDICATOARE TIP (2601116776) 1229 RON
810 1 1 SET DE PERII DE CARBUNE SET DE PERII DE CARBUNE COD VECHI2604321911 (2604321905) 3665 RON
825 1 1 CARCASA ANGRENAJULUI (2610998143) 18230 RON
828 1 1 PLACA DE BAZA A LAGARULUI (2610998153) 7171 RON
842 1 1 ARBORE DE ANTRENARE (2610907367) 10624 RON
868 1 1 ARBORE CANELAT (2606308926) 10676 RON

Conditii Generale