Cauta produsul dorit:
Bun venit! [Autentificare!] In cos: 0 produse








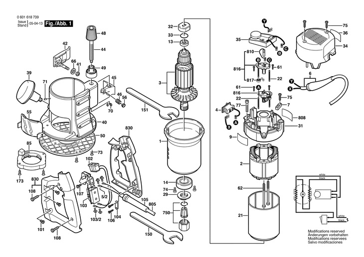
Top » Piese de schimb » PIESE BOSCH » 0601618739

MASINA DE FREZAT (0601618739) 1618 EVS / 120 V /USA
[0601618739]

MASINA DE FREZAT  (0601618739)  1618 EVS / 120 V /USA
Click pentru a mari
Imagini suplimentare
MASINA DE FREZAT  (0601618739)  1618 EVS / 120 V /USA
Click pentru a mari
LISTA DE COMPONENTE:
Numar Versiune Buc. in schema Denumire Pret/buc
(Tva inclus)
Cumpara
1 1 1 CARCASA MOTOR (2610922584) 13863 RON
2 1 1 STATOR 120V (2610934202) 2748 RON
3 1 1 Rotor 120V (2610934201) 86366 RON
3 1 1 1619P05216 - Indisponibil
4 1 1 INTRERUPATOR PORNIT/OPRIT (2610016525) 2868 RON
5/2 1 2 BORNA DE LEGATURA (3601353500) 558 RON
6 1 1 2610994441 - Indisponibil
7 1 1 INTERUPATOR DE LINIE (2601035001) 558 RON
9 1 1 2610915243 - Indisponibil
13 1 1 RULMENT CU BILE (3600905513) 4143 RON
14 1 1 RULMENT CU BILE (3600905512) 5577 RON
21 1 1 MANSON IZOLANT (2610991373) 4621 RON
22 1 2 FISA PLATA (1604477005) 558 RON
29 1 1 PIULITA (2610993582) 1452 RON
31 1 1 PARTE POSTERIOARA CARCASA (2610941007) 3665 RON
32 1 1 COLIVIE A RULMENTULUI (2610991375) 190 RON
33 1 1 GARNITURA O (1900210115) 893 RON
34 1 1 SET MANER (2610941008) 2868 RON
35 1 1 REGULATOR TURATIE 120V (1607233136) 15297 RON
36 1 1 PLACUTA INDICATOARE (2610994107) 1229 RON
39 1 1 MANER NEGRU (2602026001) 1673 RON
40 1 1 2610924105 - Indisponibil
41 1 1 PIULITA HEXAGONALA M6 (1613300006) 558 RON
42 1 1 PARGHIE DE STRANGERE (2610915060) 2459 RON
44 1 1 2610991384 - Indisponibil
45 1 1 PARGHIE (2610991385) 2123 RON
46 1 1 ARC (2610991371) 781 RON
48 1 1 APARAT DE AJUSTARE (2610993576) 893 RON
49 1 1 INEL (2610993577) 1452 RON
50 1 1 PLACA DE ACOPERIRE (2610928164) 5926 RON
55 1 1 DEFLECTOR DE ASCHII (2610991389) 2123 RON
56 1 1 CAPAC DE ACOPERIRE (2610991372) 558 RON
61 1 4 SURUB CU CAP SEMIROTUND T 3x10 (2603490017) 558 RON
62 1 2 SURUB PENTRU TABLA (2610991306) 558 RON
66 1 1 DISC DE SIGURANTA DIN 126-9-A2 (2918660004) 558 RON
70 1 1 INEL DE SUSTINERE (2610996054) 558 RON
71 1 1 BOLT (2610994492) 558 RON
73 1 4 SURUB (2610915161) 1229 RON
74 1 2 SURUB CU CAP SEMIROTUND (2910641120) 558 RON
75 1 4 SURUB PENTRU TABLA (2610910566) 558 RON
77 1 2 SURUB IMBUS DIN 912-M 5x30-8.8 (2910141166) 558 RON
85 1 1 INEL DE CENTRARE (2610991370) 12588 RON
101 1 6 SURUB CU CAP SEMIROTUND DIN 7985-M5x10-4.8 (2910641152) 558 RON
102 1 1 MUFA DE JONCTIUNE (3604484501) 5032 RON
103 1 1 2610994461 - Indisponibil
103/2 1 4 SURUB CU CAP CILINDRIC (3603433506) 893 RON
104 1 1 BRATARA DE FIXARE (3601032500) 2459 RON
105 1 1 MUFA (3600703500) 1354 RON
106 1 2 SURUB PENTRU TABLA (2910211211) 1117 RON
107 1 1 SURUB PENTRU TABLA DIN 7981-ST4,2x9,5-F-H (2910611424) 558 RON
108 1 2 2610912760 - Indisponibil
150 1 1 CHEIE FIXA / FALCI MOBLE (2610992417) 5577 RON
151 1 1 CHEIE FIXA / FALCI MOBLE (2610991388) 3354 RON
173 1 2 SURUB CU CAP INGROPAT DIN 965-M4x12-8.8 (2910871122) 558 RON
750 1 1 2610956672 - Indisponibil
750 1 1 BUCSA ELASTICA PRINDERE 3/8" (2610018974) 18644 RON
750 1 1 MONTAJ 1/2" (2610001496) 8127 RON
805 1 1 CONDUCTOR DE RETEA USA/CDN 3,275m 2 x 1,32mm SJ 16/2 (3604460514) 6374 RON
808 1 1 2610907633 - Indisponibil
810 1 1 SET DE PERII DE CARBUNE (2610007957) Indisponibil Indisponibil
816 1 1 PORTPERIE (3604336506) 5926 RON
817 1 1 ARC SPIRAL (3604652501) 1229 RON
830 1 1 2610997132 - Indisponibil

Conditii Generale