Cauta produsul dorit:
Bun venit! [Autentificare!] In cos: 0 produse








Top » Piese de schimb » PIESE BOSCH » 0600832003

FOARFECE TAIAT IARBA ACU (0600832003) AGS 50 / 3.6 V /EU
[0600832003]

FOARFECE TAIAT IARBA ACU  (0600832003)  AGS 50 / 3.6 V /EU
Click pentru a mari
Imagini suplimentare
FOARFECE TAIAT IARBA ACU  (0600832003)  AGS 50 / 3.6 V /EU
Click pentru a mari
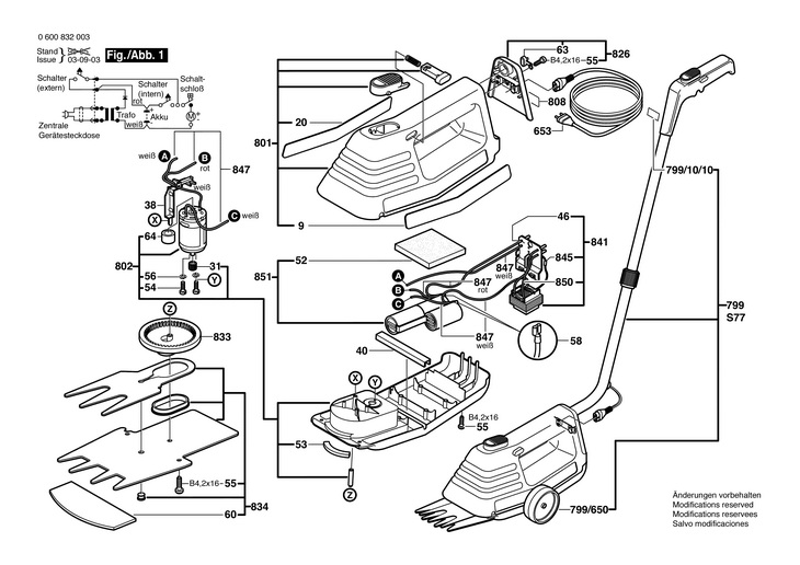
LISTA DE COMPONENTE:
Numar Versiune Buc. in schema Denumire Pret/buc
(Tva inclus)
Cumpara
9 1 1 PLACUTA CU EMBLEMA FIRMEI PARTE INSORITA (2601119372) 1229 RON
20 1 1 PLACUTA INDICATOARE PARTE UMBRITA (2601119402) 1229 RON
31 1 1 PINION Z=10, O2,3 MM (2606316175) 1117 RON
38 1 1 SUPORT PORTCONTACT (2608018002) 1452 RON
40 1 1 SINA DE ACOPERIRE (2602386000) 781 RON
46 1 1 BUCSA DE CONTACT (2600422003) 558 RON
52 1 1 PLACA IZOLANTA 60x80x2 MM (2602388007) 558 RON
53 1 1 RACLOR DE MURDARIE (2602391002) 558 RON
54 1 2 SURUB CU CAP CILINDRIC AM 2,6x8 MM (2603413030) 558 RON
55 1 5 SURUB CU CAP SEMIROTUND T 4x16 (2603490022) 558 RON
56 1 2 INEL DE SIGURANTA (2600116037) 781 RON
58 1 2 MUFA DE JONCTIUNE (1904478015) 558 RON
60 1 1 CAPAC DE PROTECTIE (2605510017) 558 RON
63 1 1 CAPAC DE PROTECTIE (2605500141) 558 RON
64 1 1 ADAPTOR (2605719025) 558 RON
653 1 1 CONDUCTOR DE RETEA 1,1m PVC (2604460107) 2459 RON
799 1 1 2607001181 - Indisponibil
799/10/10 1 1 PLACUTA CU EMBLEMA FIRMEI (2601110601) 558 RON
799/650 1 1 ROTOR DE VENTILATIE (1609200927) 2459 RON
801 1 1 PARTE SUPERIOARA CARCASA VERDE (2605104831) 5479 RON
802 1 1 MOTOR DE CURENT CONTINUU 18V (2607022960) 8275 RON
808 1 1 PLACUTA INDICATOARE TIP 18x52 MM (1601106033) 893 RON
826 1 1 CAPAC CARCASA VERDE (2605500906) 1117 RON
833 1 1 ROATA DINTATA EXCENTRIC Z=85 (2606334901) 2123 RON
834 1 1 SET CUTITE 80 MM (1609200907) 8946 RON
841 1 1 TRANSFORMATOR INCARCARE 230V/4,8V (1609200915) 8275 RON
845 1 1 SET DE PIESE 2 BUC. (2607010227) 1117 RON
847 1 1 CONDUCTOR ELECTRIC (2604412900) 1452 RON
850 1 1 CONDUCTA DE LEGATURA L=63 MM ALB (2604412023) 558 RON
851 1 1 SET BATERIE 3,6V (1609200913) 18230 RON

Conditii Generale