Cauta produsul dorit:
Bun venit! [Autentificare!] In cos: 0 produse








Top » Piese de schimb » PIESE BOSCH » 0603382703

FERASTRAU VERTICAL (0603382703) PST 750 PE / 230 V /EU
[0603382703]

FERASTRAU VERTICAL  (0603382703)  PST 750 PE / 230 V /EU
Click pentru a mari
Imagini suplimentare
FERASTRAU VERTICAL  (0603382703)  PST 750 PE / 230 V /EU
Click pentru a mari
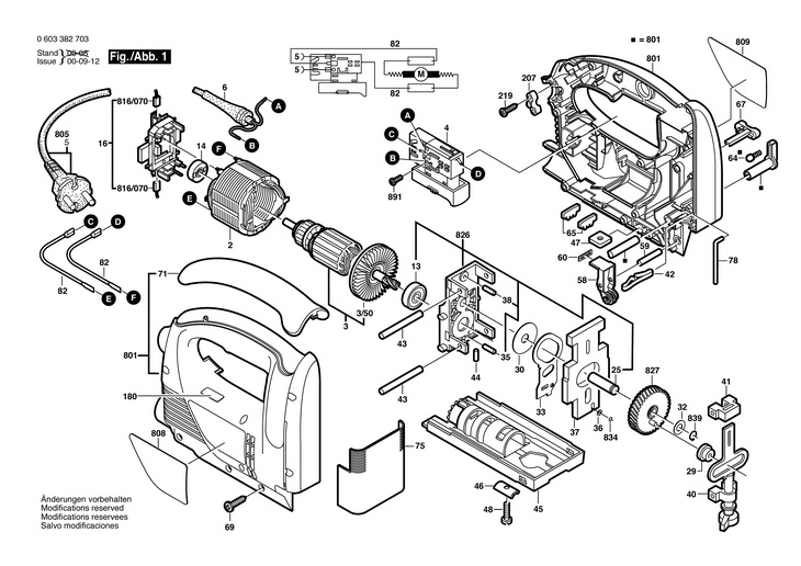
LISTA DE COMPONENTE:
Numar Versiune Buc. in schema Denumire Pret/buc
(Tva inclus)
Cumpara
2 1 1 STATOR 220-240V (2604220655) 8275 RON
3 1 1 Rotor 220-240V (2604011234) 20715 RON
3/50 1 1 VENTILATOR (2606610029) 837 RON
4 1 1 INTRERUPATOR PORNIT/OPRIT (2607200581) 9242 RON
5 1 1 CONDUCTOR DE RETEA EU 230V 4,15m 2 x 1,0mm H05 RN-F (1607000386) 6374 RON
6 1 1 MUFA O6,4-O7,2x76 MM (2600703017) 893 RON
13 1 1 RULMENT CU BILE 9 MM (2600905021) 2868 RON
14 1 1 LAGAR CU FLANSA (2605805008) 1676 RON
16 1 1 PLACA DE PERII (2604337085) 3665 RON
25 1 1 BOLT DE LAGAR (2603105080) 893 RON
29 1 1 MANSON PTR. ACE RULMENT (2600914022) 2123 RON
30 1 1 DISC DE ECHILIBRARE 0,5 MM (2600101048) 558 RON
32 1 1 DISC DE ECHILIBRARE 0,5 MM (2600101077) 558 RON
33 1 1 PARGHIE IN FURCA (2601923012) 1452 RON
35 1 1 BOLT DE LAGAR (2603105091) 893 RON
36 1 1 DISC DE ECHILIBRARE 0,5 MM (2600100588) 558 RON
37 1 1 GRUETATE DE ECHILIBRARE (2601098060) 3665 RON
38 1 1 ROLA CU ACE 4x15,8 MM (1903201054) 558 RON
40 1 1 TIJA DE RIDICARE (2600780147) Indisponibil Indisponibil
41 1 1 LAGAR DE ALUNECARE (2605801038) 1676 RON
42 1 1 ARC DE PRESIUNE (2604613004) Indisponibil Indisponibil
43 1 2 ROLA CU ACE (2603201089) 190 RON
44 1 1 BOLT DE LAGAR (2603105084) 781 RON
45 1 1 TALPA DE FIXARE (2601016080) Indisponibil Indisponibil
46 1 1 SIPCA PROFILATA (2602317037) 893 RON
47 1 1 PLACA DE FIXARE (2600040003) 781 RON
48 1 1 SURUB CU CAP CILINDRIC (2603413034) 558 RON
58 1 1 PARGHIE CU ROLA (2601321051) Indisponibil Indisponibil
59 1 1 STIFT CILINDRIC DIN 6325-4m6x20 STIFT CILINDRIC 4x24 N31A cod vechi 2917860101 (2917550101) Indisponibil Indisponibil
60 1 1 PLACA DE ETANSARE (2601015077) 558 RON
64 1 1 CAPAC DE BLOCARE (2600590006) 558 RON
65 1 2 INDEXATOR (2601038111) 558 RON
67 1 1 DISC DE CUPLARE (2602026096) 781 RON
69 1 9 SURUB CU CAP SEMIROTUND T 4x16 (2603490022) 558 RON
71 1 1 INVELIS AL MANERULUI (2608040148) 2123 RON
75 1 1 CAPOTA (2605510169) 1117 RON
78 1 1 STIFT DE SIGURANTA (2603105088) 558 RON
82 1 2 CONDUCTA DE LEGATURA L=220 MM ALB (2604448127) 558 RON
801 1 1 CARCASA VERDE (2605104789) 10624 RON
808 1 1 PLACUTA INDICATOARE (2601117207) 1229 RON
809 1 1 PLACUTA CU EMBLEMA FIRMEI (2601117238) 1229 RON
816/070 1 1 SET DE PERII DE CARBUNE (2604321925) 2868 RON
826 1 1 PUNTE LAGAR (2605807936) 8275 RON
827 1 1 ROATA DINTATA EXCENTRIC (2606320904) 8275 RON
834 1 1 INEL DE SIGURANTA DIN 471-4x0,4-FSt (2916640001) 558 RON
839 1 1 INEL DE SIGURANTA DIN 471-8x0,8 FSt (2916640005) 558 RON
891 1 2 SURUB CU CAP IN CRUCE M3x5 (2603410046) 781 RON
895 1 1 INCHIZATOARE (2601320027) 1036 RON

Conditii Generale