Cauta produsul dorit:
Bun venit! [Autentificare!] In cos: 0 produse








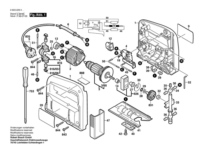
Top » Piese de schimb » PIESE BOSCH » 0603229403

FERASTRAU VERTICAL (0603229403) PST 52 A / 230 V /EU
[0603229403]

FERASTRAU VERTICAL  (0603229403)  PST 52 A / 230 V /EU
Click pentru a mari
Imagini suplimentare
FERASTRAU VERTICAL  (0603229403)  PST 52 A / 230 V /EU
Click pentru a mari
LISTA DE COMPONENTE:
Numar Versiune Buc. in schema Denumire Pret/buc
(Tva inclus)
Cumpara
1 1 1 CARCASA VERDE (2605104270) 8946 RON
2 1 1 STATOR 230-240V (2604220523) 10624 RON
3 1 1 Rotor 230-240V (2604011025) 13532 RON
3/60 1 1 VENTILATOR (1606610116) 1117 RON
4 1 1 INTRERUPATOR (2607200365) Indisponibil Indisponibil
6 1 1 MUFA O7 MM (2600703007) Indisponibil Indisponibil
9 1 1 ETICHETA ADEZIVA PARTE INSORITA (2601110586) 893 RON
12 1 1 CONDENSATOR DEPARAZITARE (2607329138) 1676 RON
13 1 1 RULMENT CU BILE 8x19x6MM (2600905046) 3665 RON
14 1 1 MANSON PTR. ACE RULMENT O8x8 MM (2600917003) 1117 RON
16 1 1 PLACA DE PERII (2604337118) 9242 RON
18 1 2 SURUB CU CAP CILINDRIC M3x6,5-4.8 (2603410001) 558 RON
20 1 1 ETICHETA ADEZIVA PARTE UMBRITA (2601110587) 893 RON
25 1 1 GARNITURA O 5x1,5 MM (1900210000) 558 RON
27 1 1 CUZINET (2600322003) Indisponibil Indisponibil
28 1 1 ARC DISC (2600190040) 558 RON
29 1 1 DISC DE ECHILIBRARE 0,5 MM (2600100505) 558 RON
30 1 1 DISC DE ECHILIBRARE 0,6 MM (2600040002) 558 RON
30 1 1 DISC DE ECHILIBRARE 0,2 MM (2600040001) 558 RON
32 1 1 ROLA DE GHIDARE (2600301014) 781 RON
33 1 1 TIJA DE RIDICARE (2600780065) 8275 RON
34 1 1 BUCSA SINTERIZATA (2600302008) 558 RON
35 1 1 SURUB DE STRANGERE (2603400000) 1036 RON
36 1 4 PASLA DE UNGERE (2603239006) Indisponibil Indisponibil
38 1 1 BOLT DE BLOCARE (2603120037) 558 RON
39 1 2 PLACA DE FIXARE (2601030006) 558 RON
40 1 1 SIPCA PROFILATA (2602317025) 558 RON
41 1 1 TALPA DE FIXARE (2601016074) 2123 RON
42 1 2 SURUB CU CAP CILINDRIC DIN 84-AM4x12-8.8 (2910021122) 558 RON
45 1 1 CONDUCTA DE LEGATURA L=213 MM ALBASTRU (2604448118) 558 RON
47 1 1 CAPOTA (2605510052) 893 RON
50 1 1 CONDUCTA DE LEGATURA L=263MM ALBASTRU (2604448119) 558 RON
51 1 2 CONDUCTA DE LEGATURA L=73 MM ALB (2604448123) 558 RON
52 1 1 STIFT (2603105051) 677 RON
816 1 1 SET DE PERII DE CARBUNE (2604321917) 2459 RON
816/05 1 2 ARC DE PRESIUNE 2 604 610 026 (2604610026) 837 RON
816/06 1 2 CAPAC DE BLOCARE (2601322013) 558 RON
816/06 1 2 CAPAC DE BLOCARE (2601329051) 837 RON
826 1 1 PUNTE LAGAR (2605807918) 3466 RON
831 1 1 ROATA DINTATA EXCENTRIC Z=49 (2606316900) Indisponibil Indisponibil
835 1 1 CONDUCTOR DE RETEA (1607000388) 4143 RON
843 1 2 SURUB PENTRU TABLA DIN 7981-ST3,9x13-C-H (2910611018) 558 RON
844 1 9 SURUB PENTRU TABLA DIN 7981-ST3,9x19-C-H (2910611020) 558 RON
888 1 1 PLACUTA INDICATOARE TIP 26x52 MM (1601106032) 893 RON

Conditii Generale