Cauta produsul dorit:
Bun venit! [Autentificare!] In cos: 0 produse








Top » Piese de schimb » PIESE BOSCH » 0601509004

FERASTRAU VERTICAL (0601509004) GST 65 / 230 V /ASI
[0601509004]

FERASTRAU VERTICAL  (0601509004)  GST 65 / 230 V /ASI
Click pentru a mari
Imagini suplimentare
FERASTRAU VERTICAL  (0601509004)  GST 65 / 230 V /ASI
Click pentru a mari
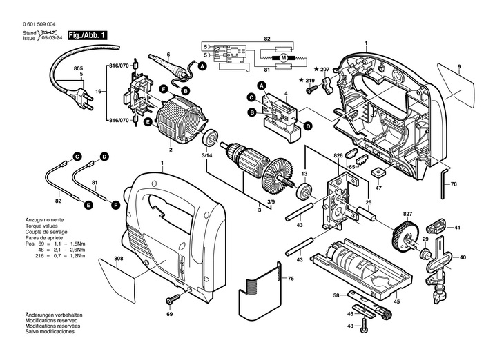
LISTA DE COMPONENTE:
Numar Versiune Buc. in schema Denumire Pret/buc
(Tva inclus)
Cumpara
1 1 1 CARCASA (2605105088) 679 RON
2 1 1 STATOR 220-240V (2604220601) Indisponibil Indisponibil
3 1 1 Rotor 230V (2604011361) 15210 RON
3/9 1 1 VENTILATOR (2606610097) 1195 RON
3/14 1 1 RULMENT CU BILE 8x22x7 608-2Z/C3 (3130900020) 190 RON
4 1 1 INTRERUPATOR PORNIT/OPRIT (2607200523) Indisponibil Indisponibil
5 1 1 CONDUCTOR DE RETEA EU 230V 2,7m 2 x 0,75mm H05 VV-F (2604460259) 4621 RON
6 1 1 MUFA O6,4-O7,2x76 MM (2600703017) 893 RON
9 1 1 PLACUTA CU EMBLEMA FIRMEI (2601116756) 893 RON
13 1 1 RULMENT CU BILE (2600905098) 2868 RON
16 1 1 PLACA DE PERII (2604337085) 3665 RON
25 1 1 BOLT DE LAGAR (2603105083) 1117 RON
29 1 1 LAGAR DE ALUNECARE (2605801044) 1117 RON
40 1 1 TIJA DE RIDICARE (2600780146) Indisponibil Indisponibil
41 1 1 LAGAR DE GHIDARE (2605801037) Indisponibil Indisponibil
43 1 2 ROLA CU ACE (2603201089) 190 RON
45 1 1 TALPA DE FIXARE (2601016080) Indisponibil Indisponibil
46 1 1 SIPCA PROFILATA (2601032021) 893 RON
47 1 1 PLACA DE FIXARE (2600040003) 781 RON
48 1 1 SURUB CU CAP CILINDRIC (2603413034) 558 RON
58 1 1 BRIDA DE RETINERE (2601321063) Indisponibil Indisponibil
65 1 2 INDEXATOR (2601038111) 558 RON
69 1 8 SURUB CU CAP SEMIROTUND T 4x16 (2603490022) 558 RON
75 1 1 CAPOTA (2605510169) 1117 RON
78 1 1 STIFT DE SIGURANTA (2603105088) 558 RON
81 1 1 CONDUCTA DE LEGATURA L=243 MM ALB (2604448033) 558 RON
82 1 1 CONDUCTA DE LEGATURA L=220 MM ALBASTRU (2604448232) 781 RON
207 1 1 INTERUPATOR DE LINIE (2601035001) 558 RON
219 1 2 SURUB CU CAP IN CRUCE M3x5 (2603410046) 781 RON
808 1 1 PLACUTA INDICATOARE (2601116757) 893 RON
816/070 1 1 SET DE PERII DE CARBUNE (2604321925) 2868 RON
826 1 1 PUNTE LAGAR (2605807935) 8275 RON
827 1 1 ROATA DINTATA EXCENTRIC (2606320903) Indisponibil Indisponibil

Conditii Generale