Cauta produsul dorit:
Bun venit! [Autentificare!] In cos: 0 produse








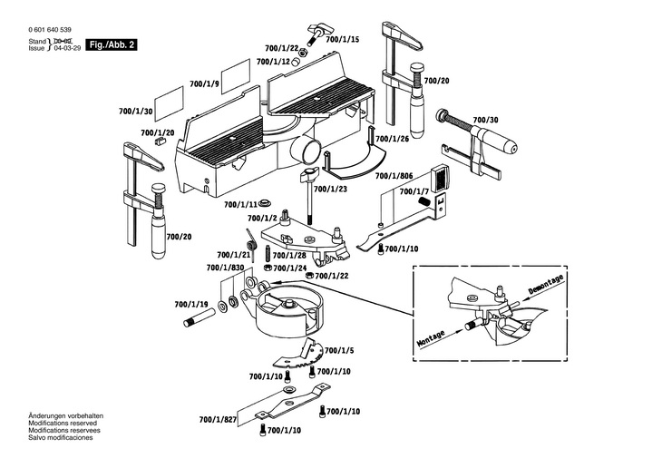
Top » Piese de schimb » PIESE BOSCH » 0601640539

FERASTRAU TAIERI FINE (0601640539) 1640 VS / 120 V /USA
[0601640539]

FERASTRAU TAIERI FINE  (0601640539)  1640 VS / 120 V /USA
Click pentru a mari
Imagini suplimentare
FERASTRAU TAIERI FINE  (0601640539)  1640 VS / 120 V /USA
Click pentru a mari
FERASTRAU TAIERI FINE  (0601640539)  1640 VS / 120 V /USA
Click pentru a mari
LISTA DE COMPONENTE:
Numar Versiune Buc. in schema Denumire Pret/buc
(Tva inclus)
Cumpara
2 1 1 STATOR 110-115V (2604220598) 5577 RON
5 1 1 CONDUCTOR DE RETEA USA/CDN 4,15m 2 x 082mm SJ 18/2 (3604460045) 679 RON
6 1 1 MUFA O7,3-O8,6x76 MM (2600703018) 893 RON
7 1 1 INTERUPATOR DE LINIE (2601035001) 558 RON
9 1 1 PLACUTA CU EMBLEMA FIRMEI (2610996448) 1229 RON
13 1 1 LAGAR CU FLANSA (2605805008) 1676 RON
14 1 1 RULMENT CU BILE O9xO24x7MM (2600905065) 3354 RON
19 1 12 SURUB CU CAP SEMIROTUND T 4x16 (2603490022) 558 RON
25 1 2 TAMPON DIN CAUCIUC (2603100056) 558 RON
26 1 1 REGULATOR DE TURATIE 115V (2607233028) 8275 RON
27 1 1 ARC DE CONTACT (2601329037) 558 RON
28 1 1 MANER DE INTREUPATOR NEGRU (1602026057) 558 RON
29 1 1 REGULATOR DE AVANS (2602319017) 1117 RON
30 1 1 ARC DE PRESIUNE (1604611026) 558 RON
50 1 1 GRUETATE DE ECHILIBRARE (2601098047) 3187 RON
55 1 2 DISC DE PORNIRE (2600100064) 781 RON
62 1 1 INEL DE STRANGERE (2600118010) 558 RON
68 1 1 TABLA DE ACOPERIRE (2600101094) 781 RON
71 1 1 BUTON (2600591012) 558 RON
72 1 1 GARNITURA DIN PASLA (2601005020) 1354 RON
700/1/2 1 1 BALANSIER CULBUTOR (2602123004) 8275 RON
700/1/5 1 1 ROATA DE CLICHET (2601389001) 3689 RON
700/1/7 1 1 ARC DE PRESIUNE (2604611074) 558 RON
700/1/9 1 1 PLACUTA CU EMBLEMA FIRMEI (2610996469) 1229 RON
700/1/10 1 5 SURUB AUTOFILETANT M 4x8 MM (2603435075) 558 RON
700/1/11 1 1 BUCSA CU GULER (2600311002) 1676 RON
700/1/12 1 1 CAPAC DE BLOCARE (2600121010) 781 RON
700/1/15 1 1 SURUB-FLUTURE M 6x42 MM (2603480005) 893 RON
700/1/19 1 1 BOLT (2603100068) 1452 RON
700/1/20 1 1 CLIP ELASTIC (2601329081) 893 RON
700/1/21 1 1 ARC CU PICIOR (2604651014) 558 RON
700/1/22 1 2 PIULITA HEXAGONALA DIN 934-M6-8-A cod vechi 2915011007 PIULITA HEXAGONALA (3603435044) 558 RON
700/1/23 1 1 SURUB-FLUTURE M 6x77 MM (2603480010) 1452 RON
700/1/24 1 1 PIULITA HEXAGONALA DIN 934-M6-8-A cod vechi 2915011007 PIULITA HEXAGONALA (3603435044) 558 RON
700/1/26 1 1 PLACA DE ACOPERIRE (2601329075) 1452 RON
700/1/28 1 1 STIFT FILETAT DIN EN 27435-M6x25-14H (2912631203) 558 RON
700/1/30 1 1 PLACUTA DE AVERTIZARE (2610996470) 1229 RON
700/1/806 1 1 PARGHIE DE ZAVORARE (2601330900) 1117 RON
700/1/827 1 1 PLACA DE SUSTINERE (2601398900) 15210 RON
700/1/830 1 1 DISC ROTATIV (2605190911) 20715 RON
700/20 1 2 MENGHINA (2607960008) 8127 RON
700/30 1 1 MENGHINA (2607960010) 8275 RON
801 1 1 CARCASA ALBASTRU (2605104821) 13532 RON
803 1 1 Rotor 110-115V (2604010955) 18230 RON
803/03/50 1 1 VENTILATOR (2606610090) 558 RON
808 1 1 PLACUTA INDICATOARE TIP (2610996449) 1229 RON
816 1 1 PLACA DE PERII (2604337910) 13532 RON
816/04 1 1 SET DE PERII DE CARBUNE (2604321922) 3354 RON
835/01 1 1 ARBORE DE TRANSMISIE (2603100901) 16328 RON
856 1 1 BIELA (2602001902) 8946 RON
865 1 1 TABLA DE FIXARE (2608000919) 8127 RON
873 1 1 TAMPON, ORGAN DE PRESARE (1600591019) 1117 RON

Conditii Generale