Cauta produsul dorit:
Bun venit! [Autentificare!] In cos: 0 produse








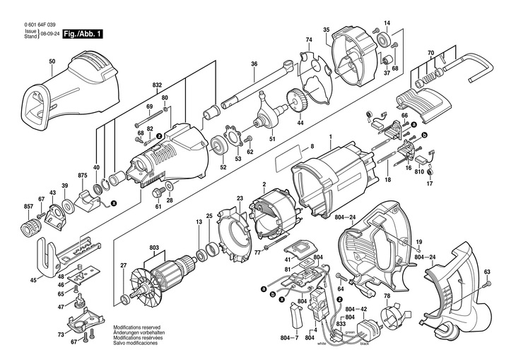
Top » Piese de schimb » PIESE BOSCH » 060164F039

FERASTRAU SABIE (060164F039) RS 20 / 120 V /USA
[060164F039]

FERASTRAU SABIE  (060164F039)  RS 20 / 120 V /USA
Click pentru a mari
Imagini suplimentare
FERASTRAU SABIE  (060164F039)  RS 20 / 120 V /USA
Click pentru a mari
LISTA DE COMPONENTE:
Numar Versiune Buc. in schema Denumire Pret/buc
(Tva inclus)
Cumpara
1 1 1 CARCASA MOTOR (2610918050) 679 RON
2 1 1 STATOR 120V (1604220368) 12588 RON
4 1 1 2610917224 - Indisponibil
7 1 1 2610919120 - Indisponibil
8 1 1 2610924018 - Indisponibil
13 1 1 RULMENT (1619P01511) 2123 RON
14 1 1 RULMENT CU BILE 6001-2RS DIN 625 (1900905161) 8946 RON
16 1 2 PORTPERIE (2610913034) 893 RON
17 1 2 ARC SPIRAL (3604652500) 558 RON
18 1 2 FISA PLATA (1604477005) 558 RON
19 1 1 STIFT (2610350103) 558 RON
23 1 1 SICANA, DEFLECTOR (2610919119) 1036 RON
24 1 1 2610927705 - Indisponibil
25 1 1 BUCSA DE CAUCIUC (3600206501) 1036 RON
27 1 1 DISTANTIER (2610918033) 781 RON
28 1 1 SAIBA DE PROTECTIE (2610908804) 893 RON
35 1 1 PLACA PORTANTA (2610918048) 679 RON
36 1 1 GRUPA AX (2610917060) 17223 RON
37 1 1 CUZINET DE LAGAR (2610908698) 2459 RON
39 1 1 GARNITURA INELARA PASLA SP 14,0 (2610030004) 781 RON
40 1 1 ETANSARE PE ARBORE (2610995815) 3354 RON
41 1 1 2610918037 - Indisponibil
42 1 1 2610924026 - Indisponibil
43 1 1 2610918054 - Indisponibil
44 1 1 ROATA DINTATA (2610908802) 5479 RON
45 1 1 TALPA APARATULUI (2610923226) 10676 RON
46 1 1 PLACA DE RETINERE (2610922844) 558 RON
47 1 1 PIESA DE INCHIDERE (2610922567) 1676 RON
48 1 1 ARC DE PRESIUNE (2610918060) 558 RON
50 1 1 MANSON IZOLANT (2610918061) 8275 RON
51 1 1 2610918074 - Indisponibil
52 1 1 RULMENT CU BILE (2610015361) 5926 RON
53 1 1 PLACA DE RETINERE (2610918045) 781 RON
61 1 1 BOLT DE RULARE (2610918051) 558 RON
62 1 5 SURUB (1619P01447) 558 RON
63 1 4 SURUB (1619P01505) 558 RON
64 1 5 SURUB (1619X00504) 558 RON
65 1 1 SURUB (2610918063) 558 RON
66 1 4 SURUB NEGRU (2610909719) 558 RON
67 1 3 SURUB (1619P01491) 558 RON
68 1 3 SURUB (2610907504) 781 RON
69 1 4 SURUB (2610918049) 558 RON
70 1 1 CARLIG DE MONTAJ (2610918077) 7171 RON
73 1 1 PLACA-SUPORT (2610919447) 781 RON
74 1 1 PLACA DE ETANSARE (2610918038) 893 RON
77 1 2 SURUB (1619P01508) 558 RON
78 1 1 2610921156 - Indisponibil
80 1 4 INEL CU ARC DIN 127-B 5 (2916683006) 781 RON
81 1 1 2610923943 - Indisponibil
82 1 1 2610925903 - Indisponibil
803 1 1 Rotor 115V (2610920759) 5217 RON
804 1 1 MANER (2610954607) 2656 RON
810 1 1 SET DE PERII DE CARBUNE (2610920682) 3466 RON
832 1 1 CARCASA ANGRENAJULUI (2610920683) 22480 RON
833 1 1 SABOT DE RACORDARE (2610910009) 781 RON
857 1 1 PORTSCULA (2610920684) 13863 RON
875 1 1 2610924263 - Indisponibil

Conditii Generale