Cauta produsul dorit:
Bun venit! [Autentificare!] In cos: 0 produse








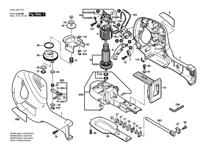
Top » Piese de schimb » PIESE BOSCH » 0601642743

FERASTRAU SABIE (0601642743) GFZ 600 E / 230 V /CN
[0601642743]

FERASTRAU SABIE  (0601642743)  GFZ 600 E / 230 V /CN
Click pentru a mari
Imagini suplimentare
FERASTRAU SABIE  (0601642743)  GFZ 600 E / 230 V /CN
Click pentru a mari
LISTA DE COMPONENTE:
Numar Versiune Buc. in schema Denumire Pret/buc
(Tva inclus)
Cumpara
1 1 1 CARCASA ALBASTRU (2605104623) 11071 RON
2 1 1 STATOR 230V (2604220647) 7171 RON
3 1 1 Rotor 230-240V (2604011219) 22480 RON
3/50 1 1 VENTILATOR (2606610093) 1036 RON
4 1 1 INTRERUPATOR (2607200579) 11071 RON
5 1 1 1614460072 - Indisponibil
6 1 1 MUFA O7,2 MM (2600703064) 1117 RON
7 1 1 INTERUPATOR DE LINIE (2601035001) 558 RON
9 1 1 ETICHETA ADEZIVA (2601116112) 1229 RON
14 1 1 RULMENT CU BILE 9 MM (2600905095) 4143 RON
16 1 1 PLACA DE PERII (2605807082) 10676 RON
19 1 11 SURUB CU CAP SEMIROTUND T 4x16 (2603490022) 558 RON
21 1 1 DISC DE ECHILIBRARE (2600100103) 781 RON
23 1 1 DISC DE ECHILIBRARE (2600100525) 893 RON
28 1 10 SURUB AUTOFILETANT M4x12 MM (2603410049) 558 RON
37 1 1 INEL DE SIGURANTA DIN 471-12x1-FSTM (2916650903) 558 RON
38 1 1 DISC DE ECHILIBRARE (2600105001) 781 RON
39 1 1 ROATA DINTATA EXCENTRIC (2606320062) 17223 RON
40 1 1 DISC DE ECHILIBRARE 0,5 MM (2600100623) 558 RON
43 1 1 MANSON PTR. ACE RULMENT O8xO12x10 MM (1610910057) 1117 RON
45 1 1 SAIBA DE DISTANTARE (2600105109) 1117 RON
46 1 1 DISC DE ECHILIBRARE (2600105013) 781 RON
47 1 1 INEL DE RULMENT CU ACE (2600913008) 3354 RON
48 1 1 DISC DE ECHILIBRARE (2600105004) 781 RON
49 1 1 INEL DE SIGURANTA DIN 472-24x1,2 MM (2916660008) 677 RON
54 1 1 BOLT ARTICULAT (2603105065) 1117 RON
57 1 2 BUCSA SINTERIZATA (2600302022) 1229 RON
61 1 1 SAIBA DE ETANSARE (2601334011) 781 RON
62 1 1 DISC DE PASLA (2600108078) 558 RON
67 1 1 ETRIER DE FIXARE (2601321012) Indisponibil Indisponibil
68 1 1 SURUB IMBUS DIN 912-M5x12-12.9 (2910405154) 781 RON
75 1 1 GARNITURA DIN CAUCIUC 1 MM (2601015082) 1676 RON
76 1 1 RACLOR (2600101038) 558 RON
77 1 1 TABLA DE SUSTINERE (2601334012) 558 RON
79 1 1 TALPA DE FIXARE (2608000239) 679 RON
80 1 2 SURUB CU CAP SEMIROTUND M 5x10 (2603414007) 558 RON
81 1 2 RONDELA (3600100002) 558 RON
83 1 1 GRUETATE DE ECHILIBRARE (2608012009) 4621 RON
90 1 1 CAPAC TRANSMISIE (2605500142) 2123 RON
100 1 1 CONDUCTOR CU IMPAMANTARE (2604448217) 1229 RON
102 1 1 CONDUCTA DE LEGATURA L=220 MM ALB (2604448127) 558 RON
103 1 1 CONDUCTA DE LEGATURA (2604448220) 893 RON
107 1 2 SURUB CU CAP SEMIROTUND T 4x25 (2603490024) 558 RON
110 1 1 ARC DE CONTACT (2601329057) 558 RON
708 1 1 SURUBELNITA UNGHIULARA DIN 911-4 (2607950004) 558 RON
808 1 1 PLACUTA INDICATOARE TIP (2601116113) 1229 RON
816/04 1 1 SET DE PERII DE CARBUNE (2604320914) Indisponibil Indisponibil
816/06 1 2 ARC SPIRAL (1604652013) 558 RON
822 1 1 SAIBA DE SIGURANTA DIN 6799-6-FST (2916080909) 558 RON
830 1 1 CARCASA ANGRENAJULUI (2605806897) 28184 RON
844 1 1 SAIBA DE SIGURANTA DIN 6799-7-FSt (2916080910) 558 RON
850 1 1 BIELA (2602130903) 8946 RON
855 1 1 SAIBA DE SIGURANTA DIN 6799-4-FSt (2916080007) 677 RON
863 1 1 TIJA DE RIDICARE (2600780910) 13532 RON

Conditii Generale