Cauta produsul dorit:
Bun venit! [Autentificare!] In cos: 0 produse








Top » Piese de schimb » PIESE BOSCH » 0601551074

FERASTRAU PENTRU MARMURA (0601551074) GMS 34 / 127 V /SAM
[0601551074]

FERASTRAU PENTRU MARMURA  (0601551074)  GMS 34 / 127 V /SAM
Click pentru a mari
Imagini suplimentare
FERASTRAU PENTRU MARMURA  (0601551074)  GMS 34 / 127 V /SAM
Click pentru a mari
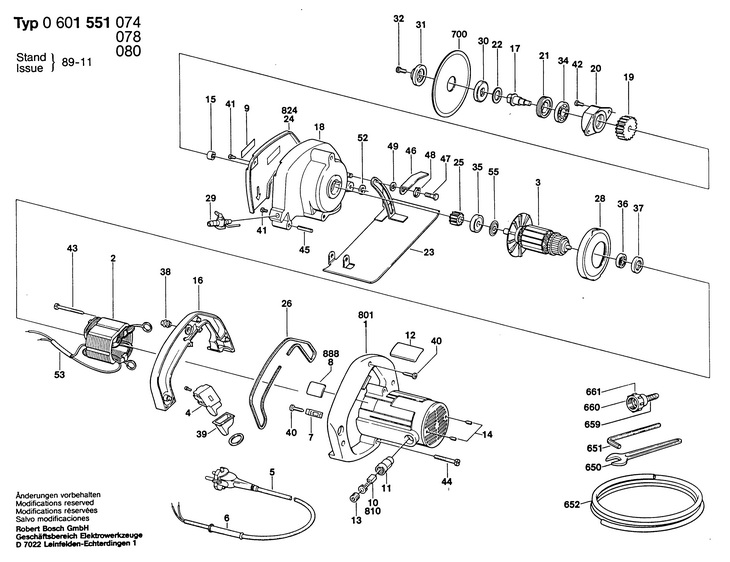
LISTA DE COMPONENTE:
Numar Versiune Buc. in schema Denumire Pret/buc
(Tva inclus)
Cumpara
2 1 1 STATOR 115V (9618082276) 24158 RON
3 1 1 Rotor 110-115V (9618082266) 24829 RON
4 1 1 INTRERUPATOR PORNIT/OPRIT (F000608006) 10624 RON
5 1 1 9618085935 - Indisponibil
6 1 1 MUFA O7,6-O8,2x95 MM (2600703013) 893 RON
7 1 1 INTERUPATOR DE LINIE (2601035001) 558 RON
9 1 1 PLACUTA CU EMBLEMA FIRMEI (1601110013) 558 RON
11 1 2 PORTPERIE (9618082260) 2794 RON
12 1 1 9618086069 - Indisponibil
13 1 2 CAPAC DE PROTECTIE (9618082261) 781 RON
14 1 2 2912060150 - Indisponibil
15 1 1 MANSON PTR. ACE RULMENT O8xO12x10 MM (1610910057) 1117 RON
16 1 1 CAPAC DE PROTECTIE (9618082256) 3354 RON
17 1 1 ARBORE PORTBURGHIU (9618082285) 15297 RON
18 1 1 CARCASA ANGRENAJULUI (9618082253) 13532 RON
19 1 1 ROATA DINTATA CILINDRICA (9618082287) 5032 RON
20 1 1 9618082272 - Indisponibil
21 1 1 9618082274 - Indisponibil
22 1 1 SAIBA DE ETANSARE (9618082291) 781 RON
23 1 1 9618082257 - Indisponibil
25 1 1 ROATA DINTATA CILINDRICA (9618082289) 5577 RON
26 1 1 9919081716 - Indisponibil
28 1 1 INEL DEFLECTOR DE AER (9618085850) 1452 RON
29 1 1 ROBINET DE OPRIRE (9618082290) 5099 RON
30 1 1 FLANSA DE PRINDERE (9618082292) 1452 RON
31 1 1 DISC DE FRANA (9618082293) 893 RON
32 1 1 SURUB IMBUS (9618085796) 1229 RON
34 1 1 RULMENT CU BILE 12x32x10 (1600905006) 4143 RON
35 1 1 9618082254 - Indisponibil
36 1 1 RULMENT CU BILE 7x19x6 (2600905032) 1676 RON
37 1 1 INEL INTERMEDIAR (1600502011) Indisponibil Indisponibil
38 1 1 APARATOARE (9618082270) 558 RON
39 1 1 APARATOARE (9618082269) 558 RON
40 1 3 SURUB PENTRU TABLA DIN 7971-BZ3,9x19 (2910211020) 558 RON
41 1 2 SURUB CU CAP CILINDRIC DIN 84-AM4x12-8.8 (2910021122) 558 RON
42 1 2 SURUB CU CAP CILINDRIC DIN 84-AM5x12-8.8 (2910021154) 558 RON
43 1 2 SURUB PENTRU TABLA BZ4,8x63 MM (1603435008) 558 RON
44 1 3 SURUB CU CAP CILINDRIC DIN 84-BM5x50-8.8 (2910021174) 558 RON
45 1 1 STIFT DE PRINDERE 6x32 DIN 1481 (2917760156) 558 RON
46 1 1 9618082248 - Indisponibil
47 1 1 9618085949 - Indisponibil
48 1 1 SAIBA DE SIGURANTA DIN 6799-10-FSt (2916080013) 1673 RON
49 1 1 RONDELA 8,4 DIN 433-ST (2916011015) 558 RON
52 1 1 DOP DE CAUCIUC (9618082288) 558 RON
53 1 1 9919080509 - Indisponibil
55 1 1 RONDELA (9618085560) 558 RON
650 1 1 9618086527 - Indisponibil
651 1 1 SURUBELNITA UNGHIULARA DIN 911-SW5 NEGRU (1907950006) Indisponibil Indisponibil
652 1 1 SET DE PIESE (9618089316) 3354 RON
659 1 1 9618085212 - Indisponibil
660 1 1 9618085211 - Indisponibil
661 1 1 9618085213 - Indisponibil
801 1 1 9618082970 - Indisponibil
810 1 1 9618085731 - Indisponibil
824 1 1 CAPAC DE PROTECTIE (9618082275) 2459 RON
888 1 1 PLACUTA INDICATOARE TIP 26x52 MM (1601106032) 893 RON

Conditii Generale