Cauta produsul dorit:
Bun venit! [Autentificare!] In cos: 0 produse








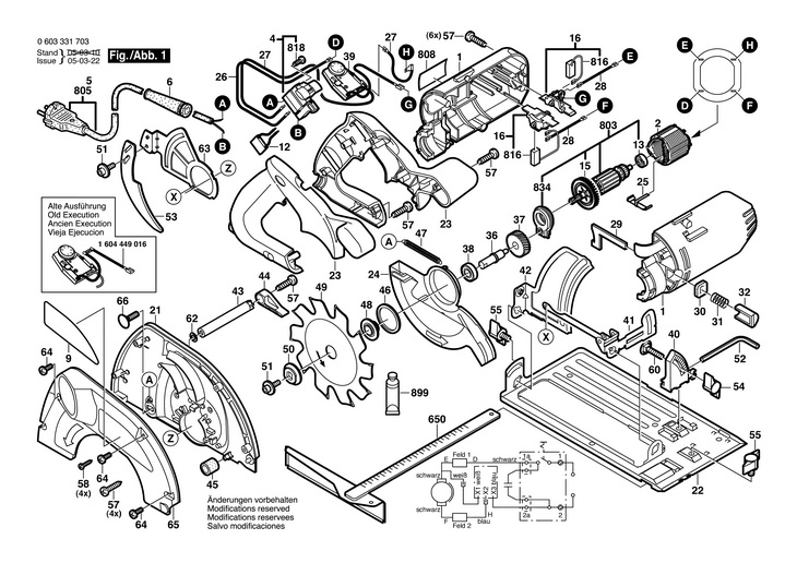
Top » Piese de schimb » PIESE BOSCH » 0603331703

FERASTRAU CIRCULAR MANUAL (0603331703) PKS 66 CE / 230 V /EU
[0603331703]

FERASTRAU CIRCULAR MANUAL  (0603331703)  PKS 66 CE / 230 V /EU
Click pentru a mari
Imagini suplimentare
FERASTRAU CIRCULAR MANUAL  (0603331703)  PKS 66 CE / 230 V /EU
Click pentru a mari
LISTA DE COMPONENTE:
Numar Versiune Buc. in schema Denumire Pret/buc
(Tva inclus)
Cumpara
1 1 1 CARCASA MOTOR VERDE (1605108218) 8275 RON
2 1 1 STATOR 230V (1604220346) 13863 RON
4 1 1 INTRERUPATOR (1607200198) 5099 RON
6 1 1 MUFA O6,4-O7,2x76 MM (2600703017) 893 RON
9 1 1 PLACUTA CU EMBLEMA FIRMEI (1601118B10) 1229 RON
12 1 1 FILTRU DE DEPARAZITARE (1607328028) 1354 RON
13 1 1 RULMENT CU BILE 7x19x6 (2600905032) 1676 RON
15 1 1 VENTILATOR (1606610145) 1117 RON
16 1 2 PLACA DE PERII (1604336043) 2868 RON
21 1 1 APARATOARE (1605510300) 16572 RON
22 1 1 PLACA DE BAZA (1608000119) 6374 RON
23 1 1 MANER (1605500218) 5926 RON
24 1 1 APARATOARE (1605510271) 6374 RON
25 1 1 ARC DE CONTACT (1601290010) 558 RON
26 1 1 CONDUCTA DE LEGATURA (1604449023) 2390 RON
27 1 1 CONDUCTOR DE LEGATURA (1604449017) 781 RON
28 1 2 CONDUCTA DE LEGATURA (1604449013) 558 RON
29 1 1 CLICHET DE ZAVORARE (1601900005) 781 RON
30 1 1 GARNITURA DIN PASLA (1601015033) 558 RON
31 1 1 ARC DE PRESIUNE (1604610018) 558 RON
32 1 1 BUTON (1603231019) 558 RON
36 1 1 ARBORE DE ANTRENARE (1603124133) 3354 RON
37 1 1 ROATA DINTATA CILINDRICA (1606320600) 2123 RON
38 1 1 RULMENT CU BILE (1600905031) 2123 RON
39 1 1 REGULATOR TURATIE 230-240V (1607233131) 24829 RON
40 1 1 UNGHI DE TAIERE OBLICA (1608190024) 893 RON
41 1 1 ETRIER (1601329034) 2868 RON
42 1 1 ETRIER DE GHIDARE (1601329035) 2459 RON
43 1 1 MANSON DE DISTANTARE (1600360003) 190 RON
44 1 1 PARGHIE DE STRANGERE (1602002006) 558 RON
45 1 1 TAMPON DIN CAUCIUC (1600305001) 558 RON
46 1 1 INEL DE BLOCARE (1600102025) 558 RON
47 1 1 TRACTIUNE CU ARC (1604650015) 1117 RON
48 1 1 FLANSA DE PRINDERE (1605703126) Indisponibil Indisponibil
49 1 1 PANZA FERASTRAU CIRCULAR (1608640086) 10624 RON
50 1 1 DISC DE STRANGERE (1605703107) 1229 RON
51 1 2 SURUB IMBUS M6x14 MM (1603414007) Indisponibil Indisponibil
52 1 1 SURUBELNITA UNGHIULARA DIN 911-SW5 NEGRU (1907950006) Indisponibil Indisponibil
53 1 1 PANA DE DESPICAT (1600025021) 1452 RON
54 1 1 PIULITA-FLUTURE M6 (1603339006) 677 RON
55 1 2 SURUB-FLUTURE M6 (1603480018) 781 RON
57 1 17 SURUB CU CAP SEMIROTUND T 4x16 (2603490022) 558 RON
58 1 5 SURUB CU CAP SEMIROTUND 3x10 ST (1613435034) 558 RON
60 1 1 SURUB CU CAP SEMIROTUND DIN 603-M6x20 (2910281201) 558 RON
62 1 1 RONDELA (2916011894) 558 RON
63 1 1 PLACA PORTANTA (1600098006) 3187 RON
64 1 4 SURUB AUTOFILETANT DIN 7500-M 4x12 (2914491409) 558 RON
65 1 1 CAPAC (1605510301) 9242 RON
66 1 1 SURUB CU CAP SEMIROTUND M6x2-P1x20 (1603434009) 558 RON
650 1 1 LIMITATOR PARALEL (2608005036) 2868 RON
803 1 1 ROTOR CU VENTILATOR 230V (1604010773) 40474 RON
805 1 1 CONDUCTOR DE RETEA EU 230V 4,15m 2 x 1,0mm H05 RN-F (1607000386) 6374 RON
808 1 1 PLACUTA INDICATOARE TIP 26x52 MM (1601106032) 893 RON
816 1 1 SET DE PERII DE CARBUNE (1607014176) 4584 RON
818 1 2 SURUB CU CAP CILINDRIC M3x6,5-4.8 (2603410001) 558 RON
834 1 1 PUNTE LAGAR (1605808070) 4143 RON
899 1 1 TUB VASELINA 225 ML, VP 729 (1605430003) 13863 RON

Conditii Generale