Cauta produsul dorit:
Bun venit! [Autentificare!] In cos: 0 produse








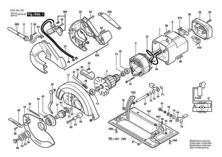
Top » Piese de schimb » PIESE BOSCH » 0601655139

GW FERASTRAU CIRCULAR (0601655139) 1655 / 115 V /USA
[0601655139]

GW FERASTRAU CIRCULAR  (0601655139)  1655 / 115 V /USA
Click pentru a mari
Imagini suplimentare
GW FERASTRAU CIRCULAR  (0601655139)  1655 / 115 V /USA
Click pentru a mari
LISTA DE COMPONENTE:
Numar Versiune Buc. in schema Denumire Pret/buc
(Tva inclus)
Cumpara
1 1 1 CARCASA MOTOR (2610903196) 5926 RON
2 1 1 STATOR 120V (1619P01570) 16572 RON
3 1 1 2610908397 - Indisponibil
5/1 1 2 BORNA DE LEGATURA (2610316596) 558 RON
6 1 1 2610993188 - Indisponibil
7 1 1 CLEMA CABLU (2610993191) 558 RON
8 1 1 2610995481 - Indisponibil
13 1 1 RULMENT CU BILE (2610017348) 3665 RON
14 1 1 RULMENT CU BILE (2610350311) 4143 RON
17 1 1 2610905040 - Indisponibil
18 1 1 APARATOARE (2610346580) 17223 RON
19 1 1 2610905036 - Indisponibil
19/1 1 1 2610352094 - Indisponibil
19/3 1 1 2610904152 - Indisponibil
19/4 1 1 2610904150 - Indisponibil
19/8 1 6 SURUB PENTRU TABLA (2610352119) 558 RON
20 1 1 2610354607 - Indisponibil
21 1 1 ARBORE PINION (2610355586) 10676 RON
23 1 1 FLANSA 5/8" (2610350668) 2459 RON
24 1 1 SAIBA, DISC (1619X00934) 1229 RON
25 1 1 CAPAC DE INCHIDERE NEGRU (2610350656) 5577 RON
26 1 1 CAPAC DE INCHIDERE NEGRU (2610350656) 5577 RON
27 1 1 CONDUCTOR ELECTRIC (2610038934) 893 RON
28 1 1 CONDUCTOR ELECTRIC (2610038935) 893 RON
31 1 1 RULMENT (1619P01511) 2123 RON
32 1 1 CLEMA (2610350663) 558 RON
33 1 1 TRACTIUNE CU ARC (2610347486) 1117 RON
34 1 1 DISTANTIER (2610341366) 1117 RON
35 1 1 LIMITATOR (2610341394) 781 RON
36 1 1 INEL DE SIGURANTA (2610341359) Indisponibil Indisponibil
37 1 1 BOLT DE LEGATURA SCRIPETE (2610904102) 2123 RON
38 1 2 TAMPON DIN CAUCIUC (2610350655) 558 RON
39 1 1 PARGHIE (2610351898) 3354 RON
42 1 1 CAPAC DE LAGAR (2610350678) 7171 RON
43 1 1 INEL DE CAUCIUC (1619P01127) 558 RON
44 1 1 BOLT DE INCHIDERE (2610351295) 3354 RON
49 1 1 ARC (2610350667) 781 RON
53 1 1 INEL DE SIGURANTA (2610350683) 781 RON
54 1 2 PARGHIE (2610901987) 893 RON
55 1 1 SURUB ROSU (2610354611) 558 RON
56 1 1 SURUB (2610328924) 1117 RON
57 1 2 SURUB (1619P01508) 558 RON
58 1 1 SURUB (2610901971) 558 RON
59 1 2 SURUB (1619X00504) 558 RON
60 1 1 BOLT (2610016657) 1452 RON
61 1 1 2610905039 - Indisponibil
62 1 1 SURUB (2610347100) 781 RON
63 1 8 SURUB (1619P01505) 558 RON
64 1 6 SURUB DE CONTACT (1619X01786) 558 RON
66 1 1 STIFT DE PRINDERE (2610020656) 781 RON
67 1 1 2610909129 - Indisponibil
68 1 4 SURUB (2610341335) 781 RON
69 1 1 CAUCIUC (2610901988) 837 RON
70 1 1 PIULITA DE SIGURANTA (2610904165) 893 RON
73 1 1 ARC DISC (2610069183) 781 RON
74 1 3 INEL DE SIGURANTA (2610341354) 781 RON
75 1 1 RONDELA (2610313808) 781 RON
78 1 2 SAIBA, DISC (1619X00942) 558 RON
80 1 1 SURUB (2610350698) 558 RON
650 1 1 CHEIE (2610351201) 3665 RON
804 1 1 INTRERUPATOR PORNIT/OPRIT (2610321608) 10676 RON
805 1 1 3604460515 - Indisponibil
810 1 1 PORTPERIE (2610355594) 8946 RON
829 1 1 MANER (2610904144) 5479 RON

Conditii Generale