|
|

|
|

|
| Numar |
Versiune |
Buc. in schema |
Denumire |
Pret/buc (Tva inclus) |
Cumpara |
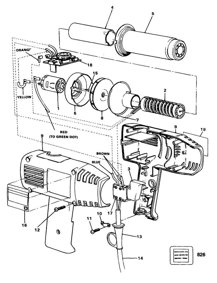
| 1 |
1 |
1 |
000000-00
|
- |
Indisponibil |
| 2 |
1 |
1 |
000000-00
|
- |
Indisponibil |
| 3 |
1 |
1 |
000000-00
|
- |
Indisponibil |
| 4 |
1 |
1 |
FILAMIC WRAP (828979)
|
Indisponibil |
Indisponibil |
| 5 |
1 |
1 |
TUBE INSULATED (373334)
|
Indisponibil |
Indisponibil |
| 6 |
1 |
1 |
HOUSING MOTOR (793076)
|
Indisponibil |
Indisponibil |
| 7 |
1 |
1 |
DIFFUSER (823696)
|
Indisponibil |
Indisponibil |
| 8 |
1 |
1 |
000000-00
|
- |
Indisponibil |
| 9 |
1 |
1 |
000000-00
|
- |
Indisponibil |
| 10 |
1 |
1 |
CLAMP CORD (821070)
|
Indisponibil |
Indisponibil |
| 11 |
1 |
2 |
SCREW NO.6 X 12.7 (821057)
|
Indisponibil |
Indisponibil |
| 12 |
1 |
5 |
000000-00
|
- |
Indisponibil |
| 13 |
1 |
1 |
000000-00
|
- |
Indisponibil |
| 14 |
1 |
1 |
000000-00
|
- |
Indisponibil |
| 15 |
1 |
2 |
000000-00
|
- |
Indisponibil |
| 17 |
1 |
4 |
000000-00
|
- |
Indisponibil |
| 18 |
1 |
1 |
000000-00
|
- |
Indisponibil |
|
|
|
|
|
|
|
|
|
|
|
|
| |
|
|
|