Polizorul unghiular Hitachi G12SR3 – 125 mm
Parerea specialistului nostru:
- Usurinta in utilizare : 70 de puncte (din 100)
- Calitatea constructiva : 72 de puncte (din 100)
- Marime, greutate vs putere: 75 de puncte (din 100)
- Pret : 95 de puncte (din 100)
Scor Total : 312 puncte (din 400).
| Puncte slabe: | Puncte forte: |
| – nu este indicat pentru lucrari grele | – pretul foarte mic |
| – are un motor mic | – constructie robusta |
| – greutate mica raportata la putere | |
- Prezentare generala:
Polizorul unghiular Hitachi G12SR3 de 125 mm este dotat cu un motor electric de 6 amp, care genereaza o turatie in gol de 10.000 rpm, si este unul dintre cele mai mici si mai usoare polizoare unghiulare din gama sa. Cu o greutate de numai 1.4 kg, unealta este foarte portabila si este excelenta pentru cineva care vrea sa utilizeze un polizor ocazional si nu are lucrari prea mari de facut. Chiar daca pretul este foarte mic, raportul calitate-pret este excelent, facandu-l cel mai performant polizor din gama sa.
Cea mai importanta calitate a sa este pretul, mai bun decat al tuturor polizoarelor cu caracteristici asemanatoare.
Constructia solida si robusta, precum si raportul putere-greutate excelent il fac potrivit si pentru lucrul cu materiale foarte dure, ca taierea granitului.
Nu prea mai sunt multe de spus despre acest polizor.
Concluzia este ca Hitachi G12SR3 este polizorul perfect pentru meseriasi din casa, pentru cei care vor sa faca diferite lucrari in propria locuinta si care au nevoie de un polizor unghiular ocazional. Pentru cei care apreciaza calitatea, dar nu sunt profesionisti si nu fac lucrari profesioniste, acest polizor este excelent.
Date tehnice:
Putere nominala : 580 W
Putere debitata : 630 W
Turatie nominala : 10.000 rpm
Diamtru maxim disc : 115 mm
Sistem de prindere : M14
Greutate : 1.4
Sistem blocare Ax : DA
Maner cu atenuator de vibratii : DA
Carcasa cu dubla izolatie : DA
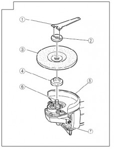
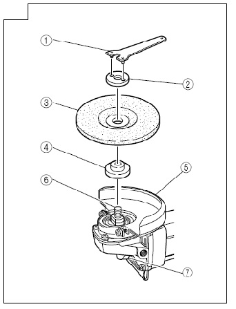
Schema Cap polizor:
Legenda:
1. Cheie
2. Piuliţă disc
3. Disc abraziv
4. Şaibă
5. Capac de protecţie
6. Arbore
7. Buton blocare arbore
8. Limită uzură
9. Număr perie de carbon
Puteti achizitiona polizorul G12SR3 de AICI

